CNET TECHNOLOGY, INC.
CN815E
Card Type | Ethernet transceiver |
Network Transfer Rate | 10Mbps |
Data Bus | AUI via DB-15 port |
Topology | Star |
Wire Type | Unshielded twisted pair |

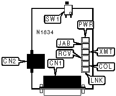
CONNECTIONS | |||
Function | Label | Function | Label |
AUI via DB-15 port | CN1 | Unshielded twisted pair connector | CN2 |
USER CONFIGURABLE SETTINGS | |||
Setting | Label | Position | |
| » | SQE test enabled | SW1 | On |
SQE test disabled | SW1 | Off | |
DIAGNOSTIC LED(S) | |||
LED | Color | Status | Condition |
PWR | Unidentified | On | Power is on |
PWR | Unidentified | Off | Power is off |
JAB | Unidentified | On | Network jabber detected |
JAB | Unidentified | Off | Network jabber not detected |
XMT | Unidentified | Off | Transceiver is not transmitting data to the network |
XMT | Unidentified | Blinking | Transceiver is transmitting data to the network |
RCV | Unidentified | Off | Transceiver is not receiving data from the network |
RCV | Unidentified | Blinking | Transceiver is receiving data from the network |
COL | Unidentified | Off | Network collision not detected |
COL | Unidentified | Blinking | Network collision detected |
LNK | Unidentified | On | Network connection is good |
LNK | Unidentified | Off | Network connection is broken |