MICRO-STAR INTERNATIONAL CO., LTD.
MS-6111
Processor | Pentium II |
Processor Speed | 200/233/266/300/333MHz |
Chip Set | Intel |
Video Chip Set | None |
Maximum Onboard Memory | 1GB (EDO supported) |
Maximum Video Memory | None |
Cache | 256/512KB (located on Pentium II CPU) |
BIOS | Unidentified |
Dimensions | 300mm x 230mm |
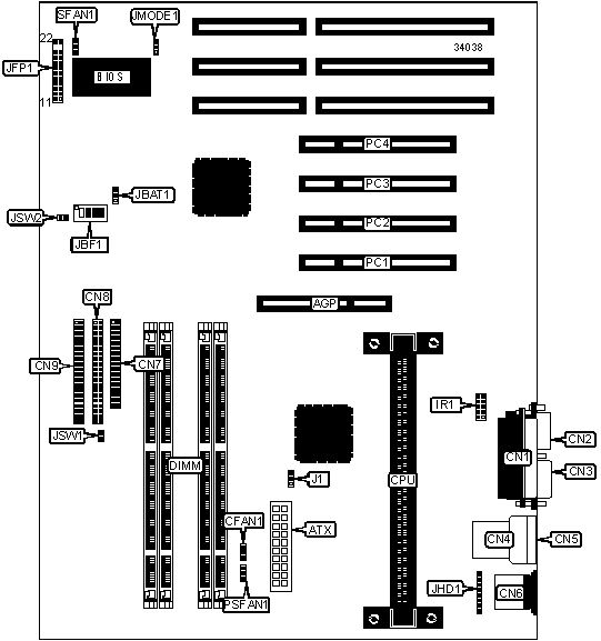
I/O Options | 32-bit PCI slots (4), floppy drive interface, IDE interfaces (2), PS/2 mouse port, serial ports (2), parallel port, IR connector, USB connector, ATX power connector, AGP slot |
NPU Options | None |

CONNECTIONS | |||
Purpose | Location | Purpose | Location |
AGP slot | AGP | IR connector | IR1 |
ATX power connector | ATX | Power LED & keylock | JFP1/pins 1 - 5 |
Parallel port | CN1 | Speaker | JFP1/pins 7 - 10 |
Serial port 1 | CN2 | Turbo LED | JFP1/pins 12 & 13 |
Serial port 2 | CN3 | Reset switch | JFP1/pins 19 & 20 |
USB connector 1 | CN4 | IDE interface LED | JFP1/pins 21 & 22 |
USB connector 2 | CN5 | Soft off power supply | JSW1 |
PS/2 mouse port | CN6 | Soft off power supply | JSW2 |
Floppy drive interface | CN7 | 32-bit PCI slots | PC1 – PC4 |
IDE interface 2 | CN8 | Power supply fan | PSFAN1 |
IDE interface 1 | CN9 | Chassis fan power | SFAN1 |
CPU fan | CFAN1 | ||
USER CONFIGURABLE SETTINGS | |||
Function | Label | Position | |
» | Factory configured - do not alter | J1 | Unidentified |
» | CMOS memory normal operation | JBAT1 | Pins 1 & 2 closed |
CMOS memory clear | JBAT1 | Pins 2 & 3 closed | |
» | Factory configured - do not alter | JHD1 | Unidentified |
» | Flash BIOS voltage select 5v | JMODE1 | Pins 2 & 3 closed |
Flash BIOS voltage select 12v | JMODE1 | Pins 1 & 2 closed | |
DIMM CONFIGURATION | ||||
Size | Bank 0 | Bank 1 | Bank 2 | Bank 3 |
8MB | (1) 1M x 64 | None | None | None |
16MB | (1) 2M x 64 | None | None | None |
16MB | (1) 1M x 64 | (1) 1M x 64 | None | None |
24MB | (1) 2M x 64 | (1) 1M x 64 | None | None |
24MB | (1) 1M x 64 | (1) 1M x 64 | (1) 1M x 64 | None |
32MB | (1) 4M x 64 | None | None | None |
32MB | (1) 2M x 64 | (1) 2M x 64 | None | None |
32MB | (1) 1M x 64 | (1) 1M x 64 | (1) 1M x 64 | (1) 1M x 64 |
40MB | (1) 4M x 64 | (1) 1M x 64 | None | None |
48MB | (1) 4M x 64 | (1) 2M x 64 | None | None |
48MB | (1) 2M x 64 | (1) 2M x 64 | (1) 2M x 64 | None |
64MB | (1) 8M x 64 | None | None | None |
64MB | (1) 4M x 64 | (1) 4M x 64 | None | None |
64MB | (1) 2M x 64 | (1) 2M x 64 | (1) 2M x 64 | (1) 2M x 64 |
72MB | (1) 8M x 64 | (1) 1M x 64 | None | None |
80MB | (1) 8M x 64 | (1) 2M x 64 | None | None |
96MB | (1) 8M x 64 | (1) 4M x 64 | None | None |
DIMM CONFIGURATION (CON’T) | ||||
Size | Bank 0 | Bank 1 | Bank 2 | Bank 3 |
96MB | (1) 4M x 64 | (1) 4M x 64 | (1) 4M x 64 | None |
128MB | (1) 8M x 64 | (1) 8M x 64 | None | None |
128MB | (1) 4M x 64 | (1) 4M x 64 | (1) 4M x 64 | (1) 4M x 64 |
128MB | (1) 16M x 64 | None | None | None |
192MB | (1) 8M x 64 | (1) 8M x 64 | (1) 8M x 64 | None |
256MB | (1) 8M x 64 | (1) 8M x 64 | (1) 8M x 64 | (1) 8M x 64 |
256MB | (1) 16M x 64 | (1) 16M x 64 | None | None |
256MB | (1) 32M x 64 | None | None | None |
384MB | (1) 16M x 64 | (1) 16M x 64 | (1) 16M x 64 | None |
512MB | (1) 16M x 64 | (1) 16M x 64 | (1) 16M x 64 | (1) 16M x 64 |
512MB | (1) 32M x 64 | (1) 32M x 64 | None | None |
768MB | (1) 32M x 64 | (1) 32M x 64 | (1) 32M x 64 | None |
1GB | (1) 32M x 64 | (1) 32M x 64 | (1) 32M x 64 | (1) 32M x 64 |
Note: If SDRAM are used the maximum memory is 512MB. If EDO is used the maximum memory is 1GB. | ||||
CACHE CONFIGURATION |
Note: 256KB/512KB cache is located on the Pentium II CPU. |
CPU SPEED SELECTION | ||||
Speed | JBF1/1 | JBF1/2 | JBF1/3 | JBF1/4 |
200MHz | On | Off | On | On |
233MHz | On | Off | Off | On |
266MHz | Off | On | On | On |
300MHz | Off | On | Off | On |
333MHz | Off | Off | On | On |