MICRO-STAR INTERNATIONAL CO., LTD.
MS-6110
Device Type | Mainboard |
Processor | Pentium II |
Processor Speed | 233/266MHz |
Chip Set | Intel |
Video Chip Set | None |
Maximum Onboard Memory | 1GB (EDO supported) |
Maximum Video Memory | None |
Cache | 256/512KB (located on Pentium II CPU) |
BIOS | Unidentified |
Dimensions | 300mm x 250mm |
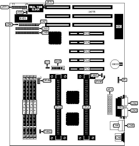
I/O Options | 32-bit PCI slots (5), floppy drive interface, green PC connector, IDE interfaces (2), parallel port, PS/2 mouse port, serial ports (2), IR connector, USB connectors (2), ATX power connector |
NPU Options | None |

CONNECTIONS | |||
Purpose | Location | Purpose | Location |
ATX power connector | ATX | CPU fan power 2 | FAN2 |
Parallel port | CN1 | IR connector | IR |
Serial port 2 | CN2 | Power LED & keylock | JFP1/pins 1 - 5 |
Serial port 1 | CN3 | Speaker | JFP1/pins 7 - 10 |
USB connector 1 | CN4 | Turbo LED | JFP1/pins 12 & 13 |
USB connector 2 | CN5 | Reset switch | JFP1/pins 19 & 20 |
PS/2 mouse port | CN6 | IDE interface LED | JFP1/pins 22 & 24 |
Floppy drive interface | CN7 | Green PC connector | JGS |
IDE interface 2 | CN8 | Soft off power supply | JPWR |
IDE interface 1 | CN9 | 32-bit PCI slots | PC1 – PC5 |
CPU fan power 1 | FAN1 | ||
USER CONFIGURABLE SETTINGS | |||
Function | Label | Position | |
» | Factory configured - do not alter | C1 | Unidentified |
» | Flash BIOS voltage select 5v | J2M | Open |
Flash BIOS voltage select 12v | J2M | Closed | |
» | CMOS memory normal operation | JRTC | Open |
CMOS memory clear | JRTC | Closed | |
DIMM CONFIGURATION | ||||
Size | Bank 0 | Bank 1 | Bank 2 | Bank 3 |
8MB | (1) 1M x 64 | None | None | None |
16MB | (1) 2M x 64 | None | None | None |
16MB | (1) 1M x 64 | (1) 1M x 64 | None | None |
24MB | (1) 2M x 64 | (1) 1M x 64 | None | None |
24MB | (1) 1M x 64 | (1) 1M x 64 | (1) 1M x 64 | None |
32MB | (1) 4M x 64 | None | None | None |
32MB | (1) 2M x 64 | (1) 2M x 64 | None | None |
32MB | (1) 1M x 64 | (1) 1M x 64 | (1) 1M x 64 | (1) 1M x 64 |
40MB | (1) 4M x 64 | (1) 1M x 64 | None | None |
48MB | (1) 4M x 64 | (1) 2M x 64 | None | None |
48MB | (1) 2M x 64 | (1) 2M x 64 | (1) 2M x 64 | None |
64MB | (1) 8M x 64 | None | None | None |
64MB | (1) 4M x 64 | (1) 4M x 64 | None | None |
64MB | (1) 2M x 64 | (1) 2M x 64 | (1) 2M x 64 | (1) 2M x 64 |
72MB | (1) 8M x 64 | (1) 1M x 64 | None | None |
80MB | (1) 8M x 64 | (1) 2M x 64 | None | None |
96MB | (1) 8M x 64 | (1) 4M x 64 | None | None |
96MB | (1) 4M x 64 | (1) 4M x 64 | (1) 4M x 64 | None |
128MB | (1) 16M x 64 | None | None | None |
DIMM CONFIGURATION (CON’T) | ||||
Size | Bank 0 | Bank 1 | Bank 2 | Bank 3 |
128MB | (1) 8M x 64 | (1) 8M x 64 | None | None |
128MB | (1) 4M x 64 | (1) 4M x 64 | (1) 4M x 64 | (1) 4M x 64 |
136MB | (1) 16M x 64 | (1) 1M x 64 | None | None |
144MB | (1) 16M x 64 | (1) 2M x 64 | None | None |
160MB | (1) 16M x 64 | (1) 4M x 64 | None | None |
192MB | (1) 16M x 64 | (1) 8M x 64 | None | None |
192MB | (1) 8M x 64 | (1) 8M x 64 | (1) 8M x 64 | None |
256MB | (1) 16M x 64 | (1) 16M x 64 | None | None |
256MB | (1) 8M x 64 | (1) 8M x 64 | (1) 8M x 64 | (1) 8M x 64 |
256MB | (1) 32M x 64 | None | None | None |
288MB | (1) 32M x 64 | (1) 4M x 64 | None | None |
320MB | (1) 32M x 64 | (1) 8M x 64 | None | None |
320MB | (1) 32M x 64 | (1) 4M x 64 | (1) 4M x 64 | None |
352MB | (1) 32M x 64 | (1) 4M x 64 | (1) 4M x 64 | (1) 4M x 64 |
384MB | (1) 32M x 64 | (1) 16M x 64 | None | None |
384MB | (1) 32M x 64 | (1) 8M x 64 | (1) 8M x 64 | None |
384MB | (1) 16M x 64 | (1) 16M x 64 | (1) 16M x 64 | None |
448MB | (1) 32M x 64 | (1) 8M x 64 | (1) 8M x 64 | (1) 8M x 64 |
512MB | (1) 32M x 64 | (1) 16M x 64 | (1) 16M x 64 | None |
512MB | (1) 16M x 64 | (1) 16M x 64 | (1) 16M x 64 | (1) 16M x 64 |
512MB | (1) 32M x 64 | (1) 32M x 64 | None | None |
640MB | (1) 32M x 64 | (1) 16M x 64 | (1) 16M x 64 | (1) 16M x 64 |
768MB | (1) 32M x 64 | (1) 32M x 64 | (1) 32M x 64 | None |
1024MB | (1) 32M x 64 | (1) 32M x 64 | (1) 32M x 64 | (1) 32M x 64 |
Note: Board accepts EDO memory. | ||||
DIMM VOLTAGE SELECTION | |
Voltage | DRAM |
3.3v | Pins 1 & 2, 3 & 4 closed |
5v | Pins 7 & 8, 9 & 10 closed |
CACHE CONFIGURATION |
Note: 256KB/512KB cache is located on the Pentium II CPU. |
CPU BUS SPEED SELECTION | ||||
Speed | SW1/1 | SW1/2 | SW1/3 | SW1/4 |
60MHz | Off | Off | On | On |
66MHz | On | On | Off | Off |
CPU MULTIPLIER SELECTION | ||||
Multiplier | SW1/5 | SW1/6 | SW1/7 | SW1/8 |
2x | On | On | On | On |
2.5x | Off | On | On | On |
3x | On | Off | On | On |
3.5x | Off | Off | On | On |
4x | On | On | Off | On |
4.5x | Off | On | Off | On |
5x | On | Off | Off | On |
5.5x | Off | Off | Off | Off |
6x | On | On | On | On |
6.5x | Off | On | On | On |
MISCELLANEOUS TECHNICAL NOTE |
If only one CPU is installed, a CPU terminator must be installed in the 2 nd slot. |