MICRO-STAR INTERNATIONAL CO., LTD.
MS-6112
Device Type | Mainboard |
Processor | Pentium II |
Processor Speed | 200/233/266/300/333MHz |
Chip Set | Intel |
Video Chip Set | None |
Maximum Onboard Memory | 1024MB (EDO & SDRAM supported) |
Maximum Video Memory | None |
Cache | 256/512KB (located on Pentium II CPU) |
BIOS | Unidentified |
Dimensions | 300mm x 230mm |
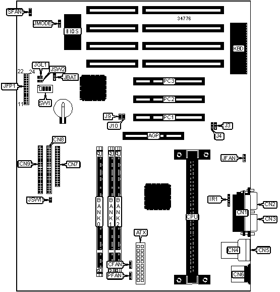
I/O Options | 32-bit PCI slots (3), floppy drive interface, IDE interfaces (2), parallel port, PS/2 mouse port, serial ports (2), IR connector, USB connectors (2), ATX power connector, AGP slot |
NPU Options | None |

Continued on n ext page. .
.MICRO-STAR INTERNATIONAL CO., LTD.
MS-6112
. . . continued from previous page
CONNECTIONS | |||
Purpose | Location | Purpose | Location |
AGP slot | AGP | Chassis fan power | JFAN |
ATX power connector | ATX | Power LED & keylock | JFP1/pins 1 - 5 |
CPU fan power | CFAN | Speaker | JFP1/pins7 - 10 |
Parallel port | CN1 | Turbo LED | JFP1/pins 12 & 13 |
Serial port 2 | CN2 | Reset switch | JFP1/pins 19 & 20 |
Serial port 1 | CN3 | IDE interface LED | JFP1/pins 22 & 24 |
USB connector 1 | CN4 | Green PC LED | JGL1 |
USB connector 2 | CN5 | Soft off power supply | JSW1 |
PS/2 mouse port | CN6 | Soft off power supply | JSW2 |
Floppy drive interface | CN7 | 32-bit PCI slots | PC1 – PC3 |
IDE interface 2 | CN8 | Power supply fan | PFAN |
IDE interface 1 | CN9 | Chassis fan power | SFAN |
IR connector | IR1 | ||
USER CONFIGURABLE SETTINGS | |||
Function | Label | Position | |
» | Factory configured - do not alter | J3 | Pins 2 & 3 closed |
» | Factory configured - do not alter | J4 | Pins 2 & 3 closed |
» | CMOS memory normal operation | JBAT | Pins 1 & 2 closed |
CMOS memory clear | JBAT | Pins 2 & 3 closed | |
» | Flash BIOS voltage select 12v | JMODE | Pins 1 & 2 closed |
Flash BIOS voltage select 5v | JMODE | Pins 2 & 3 closed | |
DIMM CONFIGURATION | |||
Size | Bank 0 | Bank 1 | Bank 2 |
8MB | (1) 1M x 64 | None | None |
16MB | (1) 2M x 64 | None | None |
16MB | (1) 1M x 64 | (1) 1M x 64 | None |
24MB | (1) 2M x 64 | (1) 1M x 64 | None |
24MB | (1) 1M x 64 | (1) 1M x 64 | (1) 1M x 64 |
32MB | (1) 4M x 64 | None | None |
32MB | (1) 2M x 64 | (1) 1M x 64 | (1) 1M x 64 |
32MB | (1) 2M x 64 | (1) 2M x 64 | None |
40MB | (1) 4M x 64 | (1) 1M x 64 | None |
40MB | (1) 2M x 64 | (1) 2M x 64 | (1) 1M x 64 |
48MB | (1) 4M x 64 | (1) 1M x 64 | (1) 1M x 64 |
48MB | (1) 4M x 64 | (1) 2M x 64 | None |
48MB | (1) 2M x 64 | (1) 2M x 64 | (1) 2M x 64 |
DIMM CONFIGURATION (CON’T) | |||
Size | Bank 0 | Bank 1 | Bank 2 |
56MB | (1) 4M x 64 | (1) 2M x 64 | (1) 1M x 64 |
64MB | (1) 8M x 64 | None | None |
64MB | (1) 4M x 64 | (1) 2M x 64 | (1) 2M x 64 |
64MB | (1) 4M x 64 | (1) 4M x 64 | None |
72MB | (1) 8M x 64 | (1) 1M x 64 | None |
72MB | (1) 4M x 64 | (1) 4M x 64 | (1) 1M x 64 |
80MB | (1) 8M x 64 | (1) 1M x 64 | (1) 1M x 64 |
80MB | (1) 8M x 64 | (1) 2M x 64 | None |
80MB | (1) 4M x 64 | (1) 4M x 64 | (1) 2M x 64 |
88MB | (1) 8M x 64 | (1) 2M x 64 | (1) 1M x 64 |
96MB | (1) 8M x 64 | (1) 2M x 64 | (1) 2M x 64 |
96MB | (1) 8M x 64 | (1) 4M x 64 | None |
96MB | (1) 4M x 64 | (1) 4M x 64 | (1) 4M x 64 |
104MB | (1) 8M x 64 | (1) 4M x 64 | (1) 1M x 64 |
112MB | (1) 8M x 64 | (1) 4M x 64 | (1) 2M x 64 |
128MB | (1) 16M x 64 | None | None |
128MB | (1) 8M x 64 | (1) 4M x 64 | (1) 4M x 64 |
128MB | (1) 8M x 64 | (1) 8M x 64 | None |
136MB | (1) 16M x 64 | (1) 1M x 64 | None |
136MB | (1) 8M x 64 | (1) 8M x 64 | (1) 1M x 64 |
144MB | (1) 16M x 64 | (1) 1M x 64 | (1) 1M x 64 |
144MB | (1) 16M x 64 | (1) 2M x 64 | None |
144MB | (1) 8M x 64 | (1) 8M x 64 | (1) 2M x 64 |
152MB | (1) 16M x 64 | (1) 2M x 64 | (1) 1M x 64 |
160MB | (1) 16M x 64 | (1) 2M x 64 | (1) 2M x 64 |
160MB | (1) 16M x 64 | (1) 4M x 64 | None |
160MB | (1) 8M x 64 | (1) 8M x 64 | (1) 4M x 64 |
168MB | (1) 16M x 64 | (1) 4M x 64 | (1) 1M x 64 |
176MB | (1) 16M x 64 | (1) 4M x 64 | (1) 2M x 64 |
192MB | (1) 16M x 64 | (1) 4M x 64 | (1) 4M x 64 |
192MB | (1) 16M x 64 | (1) 8M x 64 | None |
192MB | (1) 8M x 64 | (1) 8M x 64 | (1) 8M x 64 |
200MB | (1) 16M x 64 | (1) 8M x 64 | (1) 1M x 64 |
208MB | (1) 16M x 64 | (1) 8M x 64 | (1) 2M x 64 |
224MB | (1) 16M x 64 | (1) 8M x 64 | (1) 4M x 64 |
256MB | (1) 16M x 64 | (1) 8M x 64 | (1) 8M x 64 |
384MB | (1) 16M x 64 | (1) 16M x 64 | (1) 16M x 64 |
512MB | (1) 64M x 64 | None | None |
512MB | (1) 32M x 64 | (1) 32M x 64 | None |
768MB | (1) 32M x 64 | (1) 32M x 64 | (1) 32M x 64 |
1024MB | (1) 64M x 64 | (1) 64M x 64 | None |
Note: Board accepts EDO & SDRAM memory. SDRAM maximum memory is 512MB. EDO maximum memory is 1024MB. | |||
CACHE CONFIGURATION |
Note: 256KB/512KB cache is located on the Pentium II CPU. |
CPU SPEED SELECTION | ||
Speed | J9 | J10 |
66MHz | Open | Open |
68MHz | Open | Closed |
75MHz | Closed | Open |
CPU SPEED SELECTION | ||||||
CPU speed | Clock speed | Multiplier | SW1/1 | SW1/2 | SW1/3 | SW1/4 |
200MHz | 66MHz | 3x | On | On | Off | On |
233MHz | 66MHz | 3.5x | On | Off | Off | On |
266MHz | 66MHz | 4x | On | On | On | Off |
300MHz | 66MHz | 4.5x | On | Off | On | Off |
333MHz | 66MHz | 5x | On | On | Off | Off |