DIAMOND FLOWER, INC.
VG-8000/VG-8000H
Category | Video |
Video Types Supported | XVGA |
Video Processor | WD90C30 |
Highest Resolution Supported | 1024 x 768 |
Data Bus Type | 16-bit Local Bus |
Memory Type | DRAM |
Maximum Onboard Memory | 1024KB |

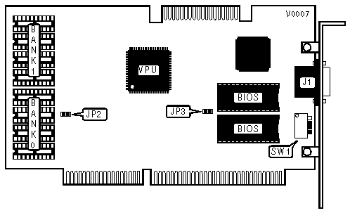
CONNECTIONS | |
Purpose | Location |
15-pin analog video connector | J1 |
800 X 600 REFRESH RATE SELECTION | ||
Rate | SW1/ 1 | SW1/2 |
56Hz | Off | Off |
72Hz | On | Off |
60Hz | Off | On |
56Hz | On | On |
1024 X 768 REFRESH RATE CONFIGURATION | |||
Rate | Mode | SW1/3 | SW1/4 |
87Hz | Interlaced | Off | Off |
70Hz | Non-interlaced | On | Off |
60Hz | Non-Interlaced | Off | On |
Not supported | N/A | On | On |
SCAN RATE CONFIGURATION | ||
Horizontal scan rate | Vertical scan rate | SW1/5 |
31.5khz | 60Hz, 70Hz | Off |
40khz | 75Hz, 88Hz | On |
ZERO WAIT STATE SELECTION | |
Setting | JP3 |
Enabled | Closed |
Disabled | Open |
DRAM CONFIGURATION | |||
Size | Bank 0 | Bank 1 | JP2 |
512KB | (4) 44256 | NONE | Closed |
1024KB | (4) 44256 | (4) 44256 | Open |
Note:JP2 is only available on the VG-8000. The VG8000H is factory configured with 1024KB. | |||