TOPTEK MULTIMEDIA, INC.
GOLDEN SOUND CD-ROM 4-IN-1
Card Type | Sound card/CD-ROM |
Chipset Controller | TMC 4720A |
I/O Options | Line in, line out, CD-ROM interfaces (4), CD audio in (3) |
Maximum DRAM | N/A |

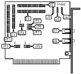
CONNECTIONS | |||
Purpose | Location | Purpose | Location |
Sony/Wearnes CD-ROM interface | J1 | CD audio in | J6 |
Mitsumi CD-ROM interface | J2 | Line in | J7 |
Panasonic CD-ROM interface | J3 | Line out | J8 |
CD audio in | J4 | Philips CD-ROM interface | JP1 |
CD audio in | J5 | ||
CD-ROM INTERFACE INTERRUPT SELECTION | |
IRQ | JP2 |
3 | Pins 1 & 2 closed |
4 | Pins 3 & 4 closed |
5 | Pins 5 & 6 closed |
9 | Pins 7 & 8 closed |
CD-ROM INTERFACE 8-BIT DMA SELECTION | |
Channel | JP3 |
1 | Pins 1 & 3, 2 & 4 closed |
3 | Pins 5 & 7, 6 & 8 closed |
CD-ROM INTERFACE ADDRESS SELECTION | |||
Address | JP5 | JP6 | JP7 |
200h | Pins 2 & 3 closed | Pins 2 & 3 closed | Pins 2 & 3 closed |
220h | Pins 1 & 2 closed | Pins 2 & 3 closed | Pins 2 & 3 closed |
240h | Pins 2 & 3 closed | Pins 1 & 2 closed | Pins 2 & 3 closed |
260h | Pins 1 & 2 closed | Pins 1 & 2 closed | Pins 2 & 3 closed |
300h | Pins 2 & 3 closed | Pins 2 & 3 closed | Pins 1 & 2 closed |
320h | Pins 1 & 2 closed | Pins 2 & 3 closed | Pins 1 & 2 closed |
340h | Pins 2 & 3 closed | Pins 1 & 2 closed | Pins 1 & 2 closed |
360h | Pins 1 & 2 closed | Pins 1 & 2 closed | Pins 1 & 2 closed |
CD-ROM INTERFACE TYPE SELECTION | |
Type | JP4 |
Mitsumi | Pins 3 & 5, 4 & 6 closed |
Panasonic | Pins 2 & 4, 3 & 5 closed |
Philips | Pins 1 & 3, 4 & 6 closed |
Sony | Pins 1 & 3, 4 & 6 closed |
Wearnes | Pins 1 & 3, 4 & 6 closed |
CD-ROM AUDIO INTERFACE PIN-OUT TABLE | |
Connector | Diagram |
J4 |
|
J5 |
|
J6 |
|