TOPTEK MULTIMEDIA, INC.
GOLDEN SOUND CD-ROM 3-IN-1 (VER. 3.01)
Card Type | Sound card/CD-ROM |
Chipset Controller | TMC |
I/O Options | Sound in, sound out, CD-ROM interfaces (3), CD-ROM audio (3) |
Maximum DRAM | N/A |

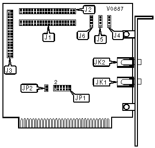
CONNECTIONS | |||
Purpose | Location | Purpose | Location |
Panasonic CDROM interface | J1 | CD audio in | J5 |
Mitsumi CDROM interface | J2 | CD audio in | J6 |
Sony CDROM interface | J3 | Line out | JK1 |
CD audio in | J4 | Line in | JK2 |
MITSUMI CD-ROM INTERFACE INTERRUPT SELECTION | |||
IRQ | JP1 (pins 7 & 8) | JP1 (pins 9 & 10) | JP1 (pins 11 & 12) |
3 | Closed | Open | Open |
4 | Open | Closed | Open |
5 | Open | Open | Closed |
CD-ROM INTERFACE ADDRESS SELECTION | |||
Sony address | Mitsumi address | Panasonic address | JP2 |
320h | 300h | 310h | Closed |
360h | 340h | 350h | Open |
DMA SELECTION | |
DMA | JP1 |
1 | Pins 1 & 3, 2 & 4 closed |
3 | Pins 3 & 5, 4 & 6 closed |
CD-ROM AUDIO INTERFACE PIN-OUT TABLE | |
Connector | Diagram |
J4 |
|
J5 |
|
J6 |
|