SVEC COMPUTER CORPORATION
FD0406C/FD0409C
NIC Type: | ARCnet |
Transfer Rate: | 2.5Mbps |
Data Bus: | 8-bit ISA |
Topology: | Linear bus (FD0409C) Star (FD0406C) |
Wiring Type | RG62A/U 93ohm coaxial |
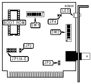
Boot ROM | Available |

INTERRUPT SELECT - JP1 | ||||||
IRQ | Jumper A | Jumper B | Jumper C | Jumper D | Jumper E | |
| » | IRQ2 | Closed | Open | Open | Open | Open |
IRQ3 | Open | Closed | Open | Open | Open | |
IRQ4 | Open | Open | Closed | Open | Open | |
IRQ5 | Open | Open | Open | Closed | Open | |
IRQ7 | Open | Open | Open | Open | Closed | |
BOOT ROM | ||
Setting | JP2 | |
| » | Disabled | Open |
Enabled | Closed | |
ON-BOARD TERMINATOR | ||
Setting | JP3 | |
| » | Enabled | Closed |
Disabled | Open | |
MEMORY ADDRESS | |||||||
RAM Address | ROM Address | SW1/1 | SW1/2 | SW1/3 | SW1/4 | SW1/5 | |
| » | D0000h | D2000h | On | On | Off | Off | On |
C0000h | C2000h | On | On | On | On | On | |
C0800h | C2000h | Off | On | On | On | On | |
C1000h | C2000h | On | Off | On | On | On | |
C1800h | C2000h | Off | Off | On | On | On | |
C4000h | C6000h | On | On | Off | On | On | |
C4800h | C6000h | Off | On | Off | On | On | |
C5000h | C6000h | On | Off | Off | On | On | |
C5800h | C6000h | Off | Off | Off | On | On | |
CC000h | CE000h | On | On | On | Off | On | |
CC800h | CE000h | Off | On | On | Off | On | |
CD000h | CE000h | On | Off | On | Off | On | |
CD800h | CE000h | Off | Off | On | Off | On | |
D0800h | D2000h | Off | On | Off | Off | On | |
D1000h | D2000h | On | Off | Off | Off | On | |
D1800h | D2000h | Off | Off | Off | Off | On | |
D4000h | D6000h | On | On | On | On | Off | |
D4800h | D6000h | Off | On | On | On | Off | |
D5000h | D6000h | On | Off | On | On | Off | |
D5800h | D6000h | Off | Off | Off | On | Off | |
D4000h | D6000h | On | On | On | On | Off | |
D4800h | D6000h | Off | On | On | On | Off | |
D5000h | D6000h | On | Off | On | On | Off | |
D5800h | D6000h | Off | Off | Off | On | Off | |
D4000h | D6000h | On | On | On | On | Off | |
D4800h | D6000h | Off | On | On | On | Off | |
D5000h | D6000h | On | Off | On | On | Off | |
D5800h | D6000h | Off | Off | Off | On | Off | |
E0000h | E2000h | On | On | Off | Off | Off | |
E0800h | E2000h | Off | On | Off | Off | Off | |
E1000h | E2000h | On | Off | Off | Off | Off | |
E1800h | E2000h | Off | Off | Off | Off | Off | |
I/O ADDRESS | ||||
Address | SW1/6 | SW1/7 | SW1/8 | |
| » | 2E0h | On | Off | On |
260h | On | On | On | |
290h | Off | On | On | |
2E0h | On | Off | On | |
2F0h | Off | Off | On | |
300h | On | On | Off | |
350h | Off | On | Off | |
380h | On | Off | Off | |
3E0h | Off | Off | Off | |
NODE ID NUMBER | ||||||||
ID # | SW2/1 | SW2/2 | SW2/3 | SW2/4 | SW2/5 | SW2/6 | SW2/7 | SW2/8 |
255 | Off | Off | Off | Off | Off | Off | Off | Off |
35 | Off | Off | On | On | On | Off | On | On |
1 | Off | On | On | On | On | On | On | On |
Note:Nodes can be numbered from 1 to 255. The switches are a binary representation of the node numbers. When a switch is off, the corresponding bit is set to 1 and has the following decimal value: SW2/1=1, SW2/2=2, SW2/3=4, SW2/4=8, SW2/5=16, SW2/6=32, SW2/7=64, SW2/8=128. | ||||||||
DIAGNOSTIC LED | |
Status | Condition |
On | Network connected successfully/data is being transmitted or received |
Off | Power off/network not connected successfully |
Dim | Heavy data traffic on network |
CONNECTORS | |
Purpose | Location |
External LED connector | JP4 |