RPTI INTERNATIONAL LTD.
NV100R
Card Type | Network Interface Card |
NIC Type | Ethernet |
Maximum Onboard Memory | Unidentified |
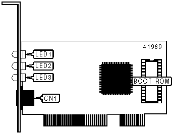
Boot ROM | Available |
Network Transfer Rate | 100Mbps/10Mbps |
Topology | Star |
Wiring Type | Unshielded twisted pair |
Data Bus | 32-bit PCI |

CONNECTIONS | |
Function | Label |
UTP connector | CN1 |
DIAGNOSTIC LED(S) |
Note: Function of LEDs is unidentified. |