EDIMAX
2000A/V2.3
Card Type | Network Interface Card |
NIC Type | Ethernet |
Maximum Onboard Memory | Unidentified |
Boot ROM | Available |
Network Transfer Rate | 10Mbps |
Topology | Linear Bus, Star |
Wiring Type | Unshielded twisted pair (RJ-45), AUI,RG-58A/U 50ohm coaxial |
Data Bus | 16-bit ISA |

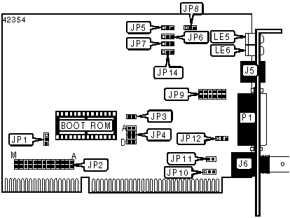
CONNECTIONS | |||
Function | Label | Function | Label |
UTP connector (RJ-45) | J5 | External LED connector | JP11 |
BNC connector | J6 | AUI connector | P1 |
USER CONFIGURABLE SETTINGS | |||
Function | Label | Position | |
» | Main board compatibility jumper disabled | JP1 | Pins 1 & 2 closed |
| Main board compatibility jumper option enabled | JP1 | Pins 2 & 3 closed |
| Boot ROM enabled | JP3 | Closed |
| Boot ROM disabled | JP3 | Open |
| SQE function enabled | JP5 | Pins 1 & 2 closed |
| SQE function disabled | JP5 | Pins 2 & 3 closed |
| Cable length normal | JP7 | Pins 1 & 2 closed |
| Cable length long | JP7 | Pins 2 & 3 closed |
| Link test disabled | JP8 | Pins 1 & 2 closed |
| Link test enabled | JP8 | Pins 2 & 3 closed |
| Autopolarity function enabled | JP14 | Pins 1 & 2 closed |
| Autopolarity function disabled | JP14 | Pins 2 & 3 closed |
BASE I/O ADDRESS SELECTION | |||
Setting | JP2/A | JP2/B | |
» | 300h | Closed | Closed |
| 320h | Closed | Open |
| 340h | Open | Closed |
| 360h | Open | Open |
INTERRUPT SELECTION | |||||||
IRQ | JP2/C | JP2/D | JP2/E | JP2/F | JP2/G | JP2/H | |
» | 3 | Closed | Open | Open | Open | Open | Open |
| 4 | Open | Closed | Open | Open | Open | Open |
| 5 | Open | Open | Closed | Open | Open | Open |
| 6 | Open | Open | Open | Closed | Open | Open |
| 7 | Open | Open | Open | Open | Closed | Open |
| 9 | Open | Open | Open | Open | Open | Closed |
| 10 | Open | Open | Open | Open | Open | Open |
| 11 | Open | Open | Open | Open | Open | Open |
| 12 | Open | Open | Open | Open | Open | Open |
| 14 | Open | Open | Open | Open | Open | Open |
| 15 | Open | Open | Open | Open | Open | Open |
INTERRUPT SELECTION CONTINUED | ||||||
IRQ | JP2/I | JP2/j | JP2/K | JP2/L | JP2/M | |
» | 3 | Open | Open | Open | Open | Open |
| 4 | Open | Open | Open | Open | Open |
| 5 | Open | Open | Open | Open | Open |
| 6 | Open | Open | Open | Open | Open |
| 7 | Open | Open | Open | Open | Open |
| 9 | Open | Open | Open | Open | Open |
| 10 | Closed | Open | Open | Open | Open |
| 11 | Open | Closed | Open | Open | Open |
| 12 | Open | Open | Closed | Open | Open |
| 14 | Open | Open | Open | Closed | Open |
| 15 | Open | Open | Open | Open | Closed |
CABLE TYPE SELECTION | ||||
Type | JP9/A-E | JP10 | JP12 | |
| AUI transceiver via DB-15 port | Open | Pins 1 & 2 closed | Pins 2 & 3 closed |
» | RG-58A/U 50ohm coaxial | Open | Pins 2 & 3 closed | Pins 1 & 2 closed |
| Unshielded twisted pair | Closed | Pins 2 & 3 closed | Pins 2 & 3 closed |
ROM ADDRESS SELECTION | |||||
Address | JP4/A | JP4/B | JP4/C | JP4/D | |
| C000h | Closed | Closed | Closed | Closed |
| C400h | Closed | Closed | Closed | Open |
» | C800h | Closed | Closed | Open | Closed |
| CC00h | Closed | Closed | Open | Open |
| D000h | Closed | Open | Closed | Closed |
| D400h | Closed | Open | Closed | Open |
| D800h | Closed | Open | Open | Closed |
| DC00h | Closed | Open | Open | Open |
DIAGNOSTIC LED(S) | |||
LED | Color | Status | Condition |
LE5 | Yellow | On | Polarity reversed and corrected |
LE5 | Yellow | Off | Polarity normal |
LE6 | Green | On | UTP link is good |
LE6 | Green | Off | UTP link is broken |