COMPAQ COMPUTER CORPORATION
SYSTEMPRO 386/33, SYSTEMPRO 486/33
Processor | 80386DX/80486DX |
Processor Speed | 33MHz |
Chip Set | Intel |
Max. Onboard DRAM | 64MB (on system memory card Model 001370) |
Cache | 64/256KB (on external CPU card) |
BIOS | Compaq |
Dimensions | 330mm x 218mm |
I/O Options | System processor card slot, system processor card/Proprietary expansion card slot, 32-bit system memory card, 32-bit external memory card, VGA port, parallel port, serial port, bus mouse port, IDE interface, floppy drive interface |
NPU Options | 80387/3167 |

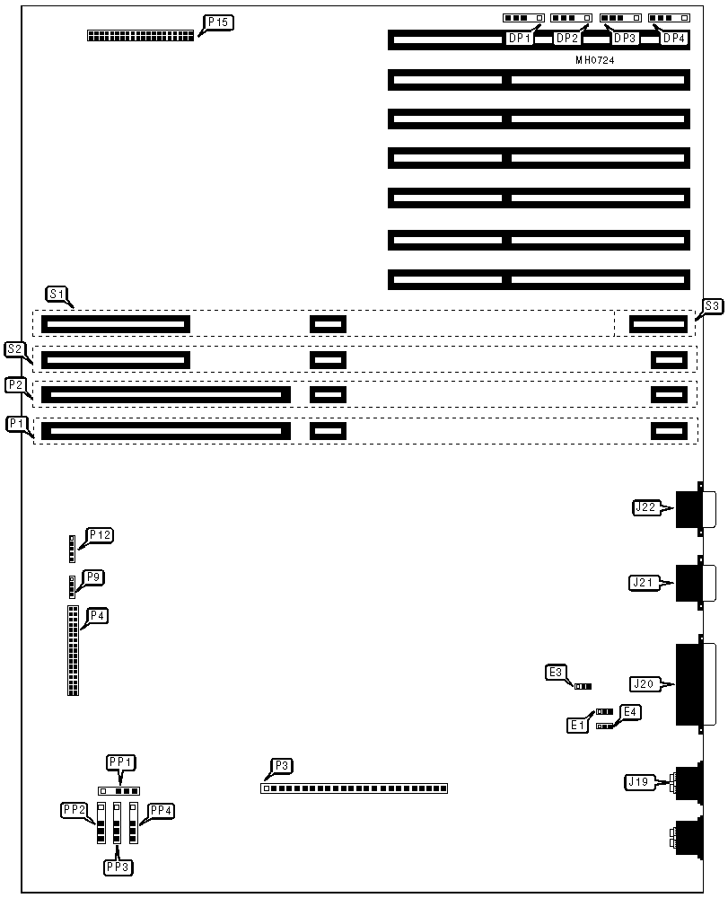
CONNECTIONS | |||
Purpose | Location | Purpose | Location |
Drive power plugs | DP1-DP4 | Main power | P3 |
Bus mouse port | J19 | Floppy drive interface | P4 |
Parallel port | J20 | Fan power | P12 |
Serial port | J21 | IDE interface | P15 |
VGA port | J22 | Peripheral power plugs | PP1-PP4 |
Proprietary system processor card | P1 | 32-bit system memory card | S1 |
System processor/external memory card | P2 | 32-bit external memory card | S2 |
Speaker | P9 | VGA pass through | S3 |
USER CONFIGURABLE SETTINGS | |||
Function | Jumper | Position | |
| » | Password disabled | E1 | pins 1 & 2 closed |
Password enabled | E1 | pins 2 & 3 closed | |
| » | Factory configured - do not alter | E2 | N/A |
| » | Maintenance mode disabled | E3 | pins 2 & 3 closed |
Maintenance mode enabled | E3 | pins 1 & 2 closed | |
Onboard VGA controller enabled | E4 | pins 1 & 2 closed | |
Onboard VGA controller disabled | E4 | pins 2 & 3 closed | |
SYSTEM MEMORY CARD (Model 001370)

CONNECTIONS | |
Purpose | Location |
VGA pass through | V1 |
DRAM CONFIGURATION | ||||
Size | M0 | M1 | M2 | M3 |
2MB | 2MB module | NONE | NONE | NONE |
4MB | 2MB module | 2MB module | NONE | NONE |
6MB | 2MB module | 2MB module | 2MB module | NONE |
8MB | 2MB module | 2MB module | 2MB module | 2MB module |
8MB | 8MB module (2 plug) | ----------------- | NONE | NONE |
8MB | 8MB module | NONE | NONE | NONE |
10MB | 8MB module (2 plug) | ----------------- | 2MB module | NONE |
10MB | 8MB module | 2MB module | NONE | NONE |
12MB | 8MB module (2 plug) | ----------------- | 2MB module | 2MB module |
12MB | 8MB module | 2MB module | 2MB module | NONE |
14MB | 8MB module | 2MB module | 2MB module | 2MB module |
16MB | 8MB module (2 plug) | ----------------- | 8MB module (2 plug) | ----------------- |
16MB | 8MB module | 8MB module | NONE | NONE |
18MB | 8MB module | 8MB module | 2MB module | NONE |
18MB | 8MB module (2 plug) | ----------------- | 8MB module | 2MB module |
20MB | 8MB module | 8MB module | 2MB module | 2MB module |
24MB | 8MB module (2 plug) | ----------------- | 8MB module | 8MB module |
24MB | 8MB module | 8MB module | 8MB module | NONE |
26MB | 8MB module | 8MB module | 8MB module | 2MB module |
32MB | 8MB module | 8MB module | 8MB module | 8MB module |
32MB | 32MB module (2 plug) | ----------------- | NONE | NONE |
34MB | 32MB module (2 plug) | ----------------- | 2MB module | NONE |
36MB | 32MB module (2 plug) | ----------------- | 2MB module | 2MB module |
40MB | 32MB module (2 plug) | ----------------- | 8MB module (2 plug) | ----------------- |
40MB | 32MB module (2 plug) | ----------------- | 8MB module | NONE |
42MB | 32MB module (2 plug) | ----------------- | 8MB module | 2MB module |
48MB | 32MB module (2 plug) | ----------------- | 8MB module | 8MB module |
64MB | 32MB module (2 plug) | ----------------- | 32MB module (2 plug) | ----------------- |
Note:The system memory card uses proprietary memory modules, some require only one module space on the memory board, while others require two. In the cases where a double size module is used, the following space is marked with "-----------------", designating that space as occupied. | ||||

DRAM CONFIGURATION | ||||||
Size | M0 | M1 | M2 | M3 | M4 | M5 |
2MB | 2MB | NONE | NONE | NONE | NONE | NONE |
4MB | 2MB | 2MB | NONE | NONE | NONE | NONE |
6MB | 2MB | 2MB | 2MB | NONE | NONE | NONE |
8MB | 2MB | 2MB | 2MB | 2MB | NONE | NONE |
8MB | 8MB | NONE | NONE | NONE | NONE | NONE |
8MB | 8MB | ----------------- | NONE | NONE | NONE | NONE |
10MB | 2MB | 2MB | 2MB | 2MB | 2MB | NONE |
10MB | 8MB | 2MB | NONE | NONE | NONE | NONE |
10MB | 8MB | ----------------- | 2MB | NONE | NONE | NONE |
12MB | 2MB | 2MB | 2MB | 2MB | 2MB | 2MB |
12MB | 8MB | 2MB | 2MB | NONE | NONE | NONE |
12MB | 8MB | ----------------- | 2MB | 2MB | NONE | NONE |
14MB | 8MB | 2MB | 2MB | 2MB | NONE | NONE |
14MB | 8MB | ----------------- | 2MB | 2MB | 2MB | NONE |
16MB | 8MB | 2MB | 2MB | 2MB | 2MB | NONE |
16MB | 8MB | ----------------- | 2MB | 2MB | 2MB | 2MB |
16MB | 8MB | 8MB | NONE | NONE | NONE | NONE |
16MB | 8MB | ----------------- | 8MB | NONE | NONE | NONE |
16MB | 8MB | ----------------- | 8MB | ----------------- | NONE | NONE |
18MB | 8MB | 2MB | 2MB | 2MB | 2MB | 2MB |
18MB | 8MB | 8MB | 2MB | NONE | NONE | NONE |
18MB | 8MB | ----------------- | 8MB | 2MB | NONE | NONE |
18MB | 8MB | ----------------- | 8MB | ----------------- | 2MB | NONE |
20MB | 8MB | 8MB | 2MB | 2MB | NONE | NONE |
20MB | 8MB | ----------------- | 8MB | 2MB | 2MB | NONE |
20MB | 8MB | ----------------- | 8MB | ----------------- | 2MB | 2MB |
22MB | 8MB | 8MB | 2MB | 2MB | 2MB | NONE |
22MB | 8MB | ----------------- | 8MB | 2MB | 2MB | 2MB |
24MB | 8MB | 8MB | 2MB | 2MB | 2MB | 2MB |
24MB | 8MB | 8MB | 8MB | NONE | NONE | NONE |
24MB | 8MB | ----------------- | 8MB | ----------------- | 8MB | NONE |
24MB | 8MB | ----------------- | 8MB | ----------------- | 8MB | NONE |
24MB | 8MB | ----------------- | 8MB | 8MB | NONE | NONE |
DRAM CONFIGURATION (CON’T) | ||||||
Size | M0 | M1 | M2 | M3 | M4 | M5 |
24MB | 8MB | ----------------- | 8MB | ----------------- | 8MB | ----------------- |
26MB | 8MB | 8MB | 8MB | 2MB | NONE | NONE |
26MB | 8MB | ----------------- | 8MB | 8MB | 2MB | NONE |
26MB | 8MB | ----------------- | 8MB | ----------------- | 8MB | 2MB |
28MB | 8MB | 8MB | 8MB | 2MB | 2MB | NONE |
28MB | 8MB | ----------------- | 8MB | 8MB | 2MB | 2MB |
30MB | 8MB | 8MB | 8MB | 2MB | 2MB | 2MB |
32MB | 8MB | 8MB | 8MB | 8MB | NONE | NONE |
32MB | 8MB | ----------------- | 8MB | 8MB | 8MB | NONE |
32MB | 8MB | ----------------- | 8MB | ----------------- | 8MB | 8MB |
32MB | 32MB | ----------------- | NONE | NONE | NONE | NONE |
34MB | 8MB | 8MB | 8MB | 8MB | 2MB | NONE |
34MB | 8MB | ----------------- | 8MB | 8MB | 8MB | 2MB |
34MB | 32MB | ----------------- | 2MB | NONE | NONE | NONE |
36MB | 8MB | 8MB | 8MB | 8MB | 2MB | 2MB |
36MB | 32MB | ----------------- | 2MB | 2MB | NONE | NONE |
40MB | 8MB | 8MB | 8MB | 8MB | 8MB | NONE |
40MB | 8MB | ----------------- | 8MB | 8MB | 8MB | 8MB |
40MB | 32MB | ----------------- | 2MB | 2MB | 2MB | 2MB |
40MB | 32MB | ----------------- | 8MB | NONE | NONE | NONE |
40MB | 32MB | ----------------- | 8MB | ----------------- | NONE | NONE |
42MB | 8MB | 8MB | 8MB | 8MB | 8MB | 2MB |
42MB | 32MB | ----------------- | 8MB | 2MB | NONE | NONE |
42MB | 32MB | ----------------- | 8MB | ----------------- | 2MB | NONE |
48MB | 8MB | 8MB | 8MB | 8MB | 8MB | 8MB |
48MB | 32MB | ----------------- | 8MB | 8MB | NONE | NONE |
48MB | 32MB | ----------------- | 8MB | ----------------- | 8MB | ----------------- |
50MB | 32MB | ----------------- | 8MB | 8MB | 2MB | NONE |
50MB | 32MB | ----------------- | 8MB | 8MB | ----------------- | 2MB |
52MB | 32MB | ----------------- | 8MB | 8MB | 2MB | 2MB |
DRAM CONFIGURATION (CON’T) | ||||||
Size | M0 | M1 | M2 | M3 | M4 | M5 |
56MB | 32MB | ----------------- | 8MB | 8MB | 8MB | NONE |
56MB | 32MB | ----------------- | 8MB | ----------------- | 8MB | 8MB |
58MB | 32MB | ----------------- | 8MB | 8MB | 8MB | 2MB |
64MB | 32MB | ----------------- | 8MB | 8MB | 8MB | 8MB |
64MB | 32MB | ----------------- | 32MB | ----------------- | NONE | NONE |
66MB | 32MB | ----------------- | 32MB | ----------------- | 2MB | NONE |
68MB | 32MB | ----------------- | 32MB | ----------------- | 2MB | 2MB |
72MB | 32MB | ----------------- | 32MB | ----------------- | 8MB | NONE |
72MB | 32MB | ----------------- | 32MB | ----------------- | 8MB | ----------------- |
74MB | 32MB | ----------------- | 32MB | ----------------- | 8MB | 2MB |
80MB | 32MB | ----------------- | 32MB | ----------------- | 8MB | 8MB |
96MB | 32MB | ----------------- | 32MB | ----------------- | 32MB | ----------------- |
Note:The system memory card uses proprietary memory modules, some require only one module space on the memory board, while others require two. In the cases where a double size module is used, the following space is marked with "-----------------", designating that space as occupied. | ||||||
PROCESSOR CARD (MODEL 001358)

CACHE CONFIGURATION | ||
Size | Bank 0 | TAG |
64KB | (8) 8K x 8 | (1) 4K x 8 |
256KB | (8) 32K x 8 | (1) 16K x 8 |
Note:System board layout is the artist's representation of what the system board might look like. All locations of components are unknown. | ||

CACHE CONFIGURATION | ||
Size | Bank 0 | TAG |
64KB | (8) 8K x 8 | (1) 4K x 8 |
256KB | (8) 32K x 8 | (1) 16K x 8 |
Note:System board layout is the artist's representation of what the system board might look like. All locations of components are unknown. | ||