STB SYSTEMS, INC.
FLASHCOM
Card Type | Multi-I/O |
Chip Set | Unidentified |
I/O Options | Parallel port, serial ports (2) |
Maximum Onboard Memory | None |
Data Bus | 8-bit ISA |

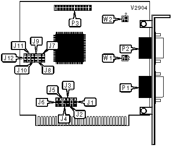
CONNECTIONS | |||
Function | Label | Function | Label |
Serial port 1 | P1 | Parallel port | P3 |
Serial port 2 | P2 | ||
USER CONFIGURABLE SETTINGS | |||
Setting | Label | Position | |
| » | Parallel port uses IRQ7 | J1 | Pins 1 & 2 closed |
Parallel port uses IRQ5 | J1 | Pins 2 & 3 closed | |
Parallel port is unidirectional | J6 | Open | |
Parallel port is bidirectional | J6 | Pins 2 & 3 closed | |
Pin 9 of serial port 1 is Ring Indicator | W1 | Pins 1 & 2 closed | |
Pin 9 of serial port 1 is +5VDC | W1 | Pins 3 & 4 closed | |
Pin 9 of serial port 2 is Ring Indicator | W2 | Pins 1 & 2 closed | |
Pin 9 of serial port 2 is +5VDC | W2 | Pins 3 & 4 closed | |
SERIAL PORT 1 ADDRESS | |||
Setting | J7 | J8 | |
| » | COM1: (3F8h) | Pins 1 & 2 closed | Pins 1 & 2 closed |
COM2: (2F8h) | Pins 2 & 3 closed | Pins 1 & 2 closed | |
COM3: (3E8h) | Pins 1 & 2 closed | Pins 2 & 3 closed | |
Disabled | Pins 2 & 3 closed | Pins 2 & 3 closed | |
SERIAL PORT 2 ADDRESS | |||
Setting | J9 | J10 | |
| » | COM2: (2F8h) | Pins 1 & 2 closed | Pins 1 & 2 closed |
COM3: (3E8h) | Pins 2 & 3 closed | Pins 1 & 2 closed | |
COM4: (2E8h) | Pins 1 & 2 closed | Pins 2 & 3 closed | |
Disabled | Pins 2 & 3 closed | Pins 2 & 3 closed | |
SERIAL PORT 1 INTERRUPT | |||
Setting | J2 | J3 | |
IRQ2 | Open | Pins 1 & 2 closed | |
IRQ3 | Pins 1 & 2 closed | Open | |
| » | IRQ4 | Pins 2 & 3 closed | Open |
IRQ5 | Open | Pins 2 & 3 closed | |
SERIAL PORT 2 INTERRUPT | |||
Setting | J4 | J5 | |
IRQ2 | Open | Pins 1 & 2 closed | |
| » | IRQ3 | Pins 1 & 2 closed | Open |
IRQ4 | Pins 2 & 3 closed | Open | |
IRQ5 | Open | Pins 2 & 3 closed | |
PARALLEL PORT ADDRESS | |||
Setting | J11 | J12 | |
| » | 378h | Pins 1 & 2 closed | Pins 1 & 2 closed |
278h | Pins 1 & 2 closed | Pins 2 & 3 closed | |
Disabled | Pins 2 & 3 closed | Pins 2 & 3 closed | |