STB SYSTEMS, INC.
DSP 550
Card Type | Multi I/O Card |
Chip Set | Unidentified |
Maximum Onboard Memory | N/A |
I/O Options | Parallel port, serial ports (2) |
Data Bus | 8-bit ISA |

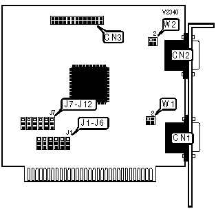
CONNECTIONS | |||
Function | Label | Function | Label |
Serial port 1 | CN1 | Parallel port | CN3 |
Serial port 2 | CN2 | ||
USER CONFIGURABLE SETTINGS | |||
Function | Label | Position | |
| » | Ring indicator signal supplied to serial port 1 | W1 | Pins 1 & 2 closed |
+5 volt signal supplied to serial port 1 | W1 | Pins 3 & 4 closed | |
| » | Ring indicator signal supplied to serial port 2 | W2 | Pins 1 & 2 closed |
+5 volt signal supplied to serial port 2 | W2 | Pins 3 & 4 closed | |
Note: Jumpers W1 and W2 are used for ensuring compatibility with specialty serial devices and older mouse systems. | |||
PARALLEL PORT ADDRESS SELECTION | ||
Setting | J11 | J12 |
278h | Pins 1 & 2 closed | Pins 2 & 3 closed |
378h | Pins 1 & 2 closed | Pins 1 & 2 closed |
Disabled | Pins 2 & 3 closed | Pins 2 & 3 closed |
SERIAL PORT 1 ADDRESS SELECTION | |||
Setting | J7 | J8 | |
2F8h | Pins 2 & 3 closed | Pins 1 & 2 closed | |
3E8h | Pins 1 & 2 closed | Pins 2 & 3 closed | |
| » | 3F8h | Pins 1 & 2 closed | Pins 1 & 2 closed |
Disabled | Pins 2 & 3 closed | Pins 2 & 3 closed | |
SERIAL PORT 2 ADDRESS SELECTION | |||
Setting | J9 | J10 | |
2E8h | Pins 1 & 2 closed | Pins 2 & 3 closed | |
| » | 2F8h | Pins 1 & 2 closed | Pins 1 & 2 closed |
3E8h | Pins 2 & 3 closed | Pins 1 & 2 closed | |
Disabled | Pins 2 & 3 closed | Pins 2 & 3 closed | |
SERIAL PORT 1 INTERRUPT SELECTION | |||
IRQ | J2 | J3 | |
IRQ2 | Open | Pins 1 & 2 closed | |
IRQ3 | Pins 1 & 2 closed | Open | |
| » | IRQ4 | Pins 2 & 3 closed | Open |
IRQ5 | Open | Pins 2 & 3 closed | |
SERIAL PORT 2 INTERRUPT SELECTION | |||
IRQ | J4 | J5 | |
IRQ2 | Open | Pins 1 & 2 closed | |
| » | IRQ3 | Pins 1 & 2 closed | Open |
IRQ4 | Pins 2 & 3 closed | Open | |
IRQ5 | Open | Pins 2 & 3 closed | |
PARALLEL PORT INTERRUPT SELECTION | ||
IRQ | J1 | |
| » | IRQ7 | Pins 1 & 2 closed |
IRQ5 | Pins 2 & 3 closed | |
PARALLEL PORT MODE SELECTION | |
Setting | J6 |
Uni-directional | Pins 2 & 3 open |
Bi-Directional (EPP/ECP) | Pins 2 & 3 closed |