TANDY/RADIO SHACK
250-4161/250-4161A
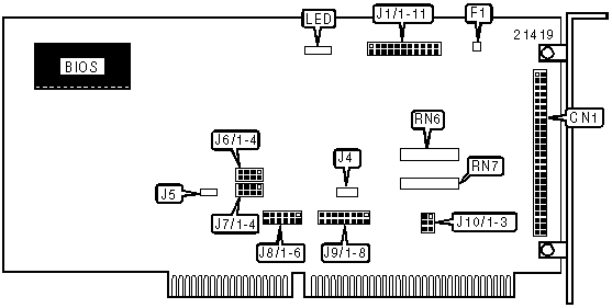
Card type | Hard drive controller |
Hard Drives supported | Up to 7 SCSI devices |
Floppy drives supported | None |
Data Bus | 16-bit ISA |
Card Size | Half-length, full-height card |

CONNECTIONS | |||
Function | Location | Function | Location |
50-pin SCSI connector - internal | CN1 | Drive active LED | LED |
USER CONFIGURABLE SETTINGS | |||
Function | Label | Position | |
| » | TERMPWR supplied from host adapter to SCSI interface | F1 | Closed |
| TERMPWR not supplied to SCSI interface | F1 | Open | |
| » | Synchronous Negotiation disabled | J1/1 | Open |
| Synchronous Negotiation enabled | J1/1 | Closed | |
| » | Factory configured - do not alter | J1/2 | Open |
| » | SCSI parity check enabled | J1/3 | Open |
| SCSI parity check disabled | J1/3 | Closed | |
| » | Zero wait states enabled | J4 | Open |
| One wait state enabled | J4 | Closed | |
| » | System computer is Tandy 4000 | J5 | Open |
| System computer is Tandy 3000 | J5 | Closed | |
DMA CHANNEL SELECTION | ||||||
Channel | J1/7 | J1/8 | J6/1 | J6/2 | J6/3 | |
0 | Closed | Closed | Closed | Open | Open | |
| » | 5 | Open | Closed | Open | Closed | Open |
6 | Closed | Open | Open | Open | Closed | |
7 | Open | Open | Open | Open | Open | |
DMA CHANNEL SELECTION (CONTINUED) | ||||||
Channel | J6/4 | J7/1 | J7/2 | J7/3 | J7/4 | |
0 | Open | Closed | Open | Open | Open | |
| » | 5 | Open | Open | Closed | Open | Open |
6 | Open | Open | Open | Closed | Open | |
7 | Closed | Open | Open | Open | Closed | |
INTERRUPT SELECTION | ||||||
Setting | J1/9 | J1/10 | J1/11 | J8/1 | J8/2 | |
9 | Open | Open | Open | Closed | Open | |
10 | Closed | Open | Open | Open | Closed | |
| » | 11 | Open | Closed | Open | Open | Open |
13 | Closed | Closed | Open | Open | Open | |
14 | Open | Open | Closed | Open | Open | |
15 | Closed | Open | Closed | Open | Open | |
INTERRUPT SELECTION (CONTINUED) | |||||
Setting | J8/3 | J8/4 | J8/5 | J8/6 | |
9 | Open | Open | Open | Open | |
10 | Open | Open | Open | Open | |
| » | 11 | Closed | Open | Open | Open |
13 | Open | Closed | Open | Open | |
14 | Open | Open | Closed | Open | |
15 | Open | Open | Open | Closed | |
BIOS ADDRESS SELECTION | ||||
Address | J10/1 | J10/2 | J10/3 | |
C0000h | Closed | Closed | Closed | |
C4000h | Closed | Closed | Open | |
C8000h | Closed | Open | Closed | |
CC000h | Closed | Open | Open | |
D0000h | Open | Closed | Closed | |
D4000h | Open | Closed | Open | |
D8000h | Open | Open | Closed | |
| » | DC000h | Open | Open | Open |
BASE I/O ADDRESS SELECTION | |||||||||
Setting | J9/1 | J9/2 | J9/3 | J9/4 | J9/5 | J9/6 | J9/7 | J9/8 | |
004h | Closed | Open | Open | Open | Open | Open | Open | Open | |
008h | Open | Closed | Open | Open | Open | Open | Open | Open | |
00Ch | Closed | Closed | Open | Open | Open | Open | Open | Open | |
010h | Open | Open | Closed | Open | Open | Open | Open | Open | |
014h | Closed | Open | Closed | Open | Open | Open | Open | Open | |
| » | 330h | Open | Open | Closed | Closed | Open | Open | Closed | Closed |
3F0h | Open | Open | Closed | Closed | Closed | Closed | Closed | Closed | |
3F4h | Closed | Open | Open | Open | Open | Open | Closed | Closed | |
3F8h | Open | Open | Open | Open | Open | Open | Closed | Closed | |
3FCh | Open | Closed | Closed | Closed | Closed | Closed | Closed | Closed | |
3FFh | Closed | Closed | Closed | Closed | Closed | Closed | Closed | Closed | |
Note: The switches are a binary representation of the decimal memory addresses. SW1/8 is the Most Significant Bit and switch SW1/1 is the Least Significant Bit. The switches have the following decimal values: SW1/8=512, SW1/7=256, SW1/6=128, SW1/5=64, SW1/4=32, SW1/3=16, SW1/2=8, SW1/1=4. Add the values of the closed jumpers to obtain the correct memory address. (Closed=1, Open=0) | |||||||||
ID SELECTION | ||||
SCSI ID | J1/4 | J1/5 | J1/6 | |
0 | Closed | Closed | Closed | |
| » | 1 | Open | Closed | Closed |
2 | Closed | Open | Closed | |
3 | Open | Open | Closed | |
4 | Closed | Closed | Open | |
5 | Open | Closed | Open | |
6 | Closed | Open | Open | |
7 | Open | Open | Open | |
TERMINATION SELECTION | |||
Setting | RN6 | RN7 | |
| » | Termination enabled | Installed | Installed |
Termination disabled | Removed | Removed | |
Note: Terminators should be removed if inline terminators are used or the host adapter is not at the end of the SCSI bus. | |||