MIRO COMPUTER PRODUCTS, INC.
MIROMEDIA SURROUND
Card Type | Sound card |
Chip Set | Unidentified |
Maximum Onboard Memory | Unidentified |
I/O Options | Audio in, stereo in, stereo out, surround out (4) |
Data Bus | 8-bit ISA |

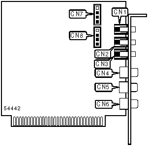
CONNECTIONS | |||
Function | Label | Function | Label |
Stereo input (left and right) | CN1 | Surround output | CN5 |
Stereo output (left and right) | CN2 | Center output | CN6 |
Surround output (left and right rear) | CN3 | Internal audio input | CN7 |
Surround output | CN4 | Internal audio output | CN8 |