LONGSHINE MICROSYSTEM, INC.
LCS-8834 (REV. C)
NIC Type | Ethernet |
Transfer Rate | 10Mbps |
Data Bus | 8-bit ISA |
Topology | Linear Bus |
Wiring Type | RG58A/U 50ohm coaxial AUI transceiver via DB-15 port |
Boot ROM | Available |

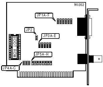
CABLE TYPE | ||
Type | JP1A - JP1F | |
| » | RG58A/U 50ohm coaxial | Pins 2 & 3 closed |
AUI transceiver via DB-15 port | Pins 1 & 2 closed | |
BOOT ROM | ||
Setting | JP2 | |
| » | Disabled | Open |
Enabled | Closed | |
INTERUPT REQUEST | |||||
IRQ | JP5A | JP5B | JP5C | JP5D | |
2/9 | Closed | Open | Open | Open | |
| » | 3 | Open | Closed | Open | Open |
4 | Open | Open | Closed | Open | |
5 | Open | Open | Open | Closed | |
DMA CHANNEL | |||||
Channel | JP5E | JP5F | JP5G | JP5H | |
| » | Disabled | JP5E/pin 1 connected to JP5F/pin 1 and JP5G/pin 1 connected to JP5H/pin 1 | |||
DMA1 | Closed | Open | Closed | Open | |
DMA3 | Closed | Open | Open | Closed | |
BASE MEMORY ADDRESS | |||||||
Address | JP3A | JP3B | JP3C | JP3D | JP3E | ||
C000h | Pins 1 & 2 | Pins 1 & 2 | Pins 1 & 2 | Pins 1 & 2 | Pins 1 & 2 | ||
C200h | Pins 2 & 3 | Pins 1 & 2 | Pins 1 & 2 | Pins 1 & 2 | Pins 1 & 2 | ||
C400h | Pins 1 & 2 | Pins 2 & 3 | Pins 1 & 2 | Pins 1 & 2 | Pins 1 & 2 | ||
C600h | Pins 2 & 3 | Pins 2 & 3 | Pins 1 & 2 | Pins 1 & 2 | Pins 1 & 2 | ||
| » | C800h | Pins 1 & 2 | Pins 1 & 2 | Pins 2 & 3 | Pins 1 & 2 | Pins 1 & 2 | |
CA00h | Pins 2 & 3 | Pins 1 & 2 | Pins 2 & 3 | Pins 1 & 2 | Pins 1 & 2 | ||
CC00h | Pins 1 & 2 | Pins 2 & 3 | Pins 2 & 3 | Pins 1 & 2 | Pins 1 & 2 | ||
CE00h | Pins 2 & 3 | Pins 2 & 3 | Pins 2 & 3 | Pins 1 & 2 | Pins 1 & 2 | ||
D000h | Pins 1 & 2 | Pins 1 & 2 | Pins 1 & 2 | Pins 2 & 3 | Pins 1 & 2 | ||
D200h | Pins 2 & 3 | Pins 1 & 2 | Pins 1 & 2 | Pins 2 & 3 | Pins 1 & 2 | ||
D400h | Pins 1 & 2 | Pins 2 & 3 | Pins 1 & 2 | Pins 2 & 3 | Pins 1 & 2 | ||
D600h | Pins 2 & 3 | Pins 2 & 3 | Pins 1 & 2 | Pins 2 & 3 | Pins 1 & 2 | ||
D800h | Pins 1 & 2 | Pins 1 & 2 | Pins 2 & 3 | Pins 2 & 3 | Pins 1 & 2 | ||
DA00h | Pins 2 & 3 | Pins 1 & 2 | Pins 2 & 3 | Pins 2 & 3 | Pins 1 & 2 | ||
DC00h | Pins 1 & 2 | Pins 2 & 3 | Pins 2 & 3 | Pins 2 & 3 | Pins 1 & 2 | ||
DE00h | Pins 2 & 3 | Pins 2 & 3 | Pins 2 & 3 | Pins 2 & 3 | Pins 1 & 2 | ||
E000h | Pins 1 & 2 | Pins 1 & 2 | Pins 1 & 2 | Pins 1 & 2 | Pins 2 & 3 | ||
E200h | Pins 2 & 3 | Pins 1 & 2 | Pins 1 & 2 | Pins 1 & 2 | Pins 2 & 3 | ||
E400h | Pins 1 & 2 | Pins 2 & 3 | Pins 1 & 2 | Pins 1 & 2 | Pins 2 & 3 | ||
E600h | Pins 2 & 3 | Pins 2 & 3 | Pins 1 & 2 | Pins 1 & 2 | Pins 2 & 3 | ||
E800h | Pins 1 & 2 | Pins 1 & 2 | Pins 2 & 3 | Pins 1 & 2 | Pins 2 & 3 | ||
EA00h | Pins 2 & 3 | Pins 1 & 2 | Pins 2 & 3 | Pins 1 & 2 | Pins 2 & 3 | ||
EC00h | Pins 1 & 2 | Pins 2 & 3 | Pins 2 & 3 | Pins 1 & 2 | Pins 2 & 3 | ||
EE00h | Pins 2 & 3 | Pins 2 & 3 | Pins 2 & 3 | Pins 1 & 2 | Pins 2 & 3 | ||
F000h | Pins 1 & 2 | Pins 1 & 2 | Pins 1 & 2 | Pins 2 & 3 | Pins 2 & 3 | ||
F200h | Pins 2 & 3 | Pins 1 & 2 | Pins 1 & 2 | Pins 2 & 3 | Pins 2 & 3 | ||
Notes:Pins designated should be in the closed position. Addresses C000h - C600h and E000h & E200h cannot be used in a PC/AT class machine. Addresses C800h & CA00h cannot be used in a PC/XT class machine. | |||||||
I/O BASE ADDRESS | ||||
Address | JP4A | JP4B | JP4C | |
| » | 300h | Closed | Closed | Closed |
320h | Closed | Closed | Open | |
340h | Closed | Open | Closed | |
360h | Closed | Open | Open | |
380h | Open | Closed | Closed | |
3A0h | Open | Closed | Open | |
3C0h | Open | Open | Closed | |
3E0h | Open | Open | Open | |