COMPEX, INC.
PARAPORT2-E
Card Type | Network Interface Card |
NIC Type | Ethernet |
Maximum Onboard Memory | 16KB RAM |
Boot ROM | Unidentified |
Network Transfer Rate | 10Mbps |
Topology | Linear Bus, Star |
Wiring Type | Unshielded twisted pair RG-58A/U 50ohm coaxial |
Data Bus | 25-pin parallel port - external |

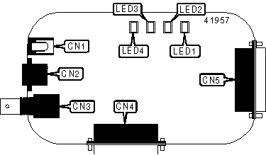
CONNECTIONS | |||
Function | Label | Function | Label |
DC power | CN1 | DB-25 (male) | CN4 |
UTP connector | CN2 | DB-25 Parallel port pass-through connector | CN5 |
RG-58A/U connector | CN3 | ||
DIAGNOSTIC LED(S) | |||
LED | Color | Status | Condition |
LED1 | Yellow | On | Printer connection is good |
LED1 | Yellow | Blinking | Data is being transmitted to printer |
LED1 | Yellow | Off | Data is not being transmitted to printer |
LED2 | Red | Blinking | Data is being transmitted/recieved |
LED2 | Red | Off | Data is not being transmitted/recieved |
LED3 | Green | On | UTP link is good |
LED3 | Green | Off | UTP link is broken |
LED4 | Green | On | Power connection is good |
LED4 | Green | Off | Power connection is broken |