ZIDA TECHNOLOGIES, INC.
EX98 (VER. 1.40)
Device Type | Mainboard |
Processor | Pentium II/Celeron |
Processor Speed | 233/266/300/333MHz |
Chip Set | Intel 440LX/EX |
Video Chip Set | None |
Maximum Onboard Memory | 256MB (SDRAM supported) |
Maximum Video Memory | None |
Cache | 512KB (located on Pentium II CPU) |
BIOS | AMI |
Dimensions | 254mm x 218mm |
I/O Options | 32-bit PCI slots (3), floppy drive interface, green PC connector, IDE interfaces (2), parallel port, PS/2 mouse interface, serial ports (2), IR connector, USB connectors (2), ATX power connector, AGP slot |

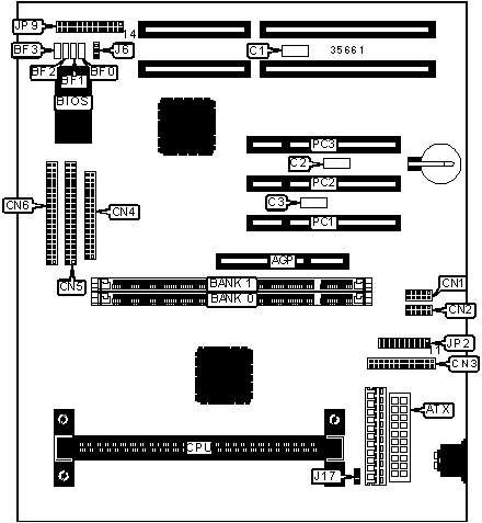
CONNECTIONS | |||
Purpose | Location | Purpose | Location |
AGP slot | AGP | USB connector 1 | JP2/pins 1 5 |
ATX power connector | ATX | PS/2 mouse port | JP2/pins 6 10 |
TB-link connector | C1 | USB connector 2 | JP2/pins 11 15 |
Wake up link connector | C2 | IR connector | JP2/pins 16 - 20 |
TB/SB-link connector | C3 | Power LED & keylock | JP9/pins 1 5 |
Serial port 2 | CN1 | Green PC connector | JP9/pins 7 & 8 |
Serial port 1 | CN2 | Speaker | JP9/pins 10 13 |
Parallel port | CN3 | IDE interface LED | JP9/pins 14 & 15 |
Floppy drive interface | CN4 | Soft off power supply | JP9/pins 17 & 18 |
IDE interface 2 | CN5 | Reset switch | JP9/pins 22 & 23 |
IDE interface 1 | CN6 | Turbo LED | JP9/pins 25 & 26 |
CPU fan power | J17 | 32-bit PCI slots | PC1 PC3 |
USER CONFIGURABLE SETTINGS | |||
Function | Label | Position | |
» | Factory configured - do not alter | BF0 | Unidentified |
» | Factory configured - do not alter | BF1 | Unidentified |
» | Factory configured - do not alter | BF2 | Unidentified |
» | Factory configured - do not alter | BF3 | Unidentified |
» | Factory configured - do not alter | J6 | Unidentified |
DIMM CONFIGURATION | ||
Size | Bank 0 | Bank 1 |
8MB | (1) 1M x 64 | None |
16MB | (1) 2M x 64 | None |
16MB | (1) 1M x 64 | (1) 1M x 64 |
24MB | (1) 2M x 64 | (1) 1M x 64 |
32MB | (1) 4M x 64 | None |
32MB | (1) 2M x 64 | (1) 2M x 64 |
40MB | (1) 4M x 64 | (1) 1M x 64 |
48MB | (1) 4M x 64 | (1) 2M x 64 |
64MB | (1) 8M x 64 | None |
64MB | (1) 4M x 64 | (1) 4M x 64 |
72MB | (1) 8M x 64 | (1) 1M x 64 |
DIMM CONFIGURATION (CONT) | ||
Size | Bank 0 | Bank 1 |
80MB | (1) 8M x 64 | (1) 2M x 64 |
96MB | (1) 8M x 64 | (1) 4M x 64 |
128MB | (1) 16M x 64 | None |
128MB | (1) 8M x 64 | (1) 8M x 64 |
136MB | (1) 16M x 64 | (1) 1M x 64 |
144MB | (1) 16M x 64 | (1) 2M x 64 |
160MB | (1) 16M x 64 | (1) 4M x 64 |
192MB | (1) 16M x 64 | (1) 8M x 64 |
256MB | (1) 16M x 64 | (1) 16M x 64 |
Note: Board accepts SDRAM memory. | ||
CACHE CONFIGURATION |
Note: 512KB cache is located on the Pentium II CPU. |