ZIDA TECHNOLOGIES, INC.
CREATELX/LXE-AT (VER. 1.40)
Device Type | Mainboard |
Processor | Pentium II/Celeron |
Processor Speed | 233/266/300/333MHz |
Chip Set | Intel 440EX/LX |
Video Chip Set | None |
Maximum Onboard Memory | 256MB (LXE), 384MB (LX) (SDRAM supported) |
Maximum Video Memory | None |
Cache | 0/128/256/512KB (located on the CPU) |
BIOS | AMI |
Dimensions | 254mm x 218mm |
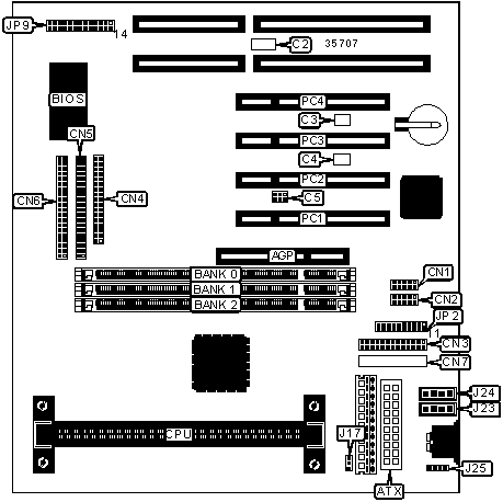
I/O Options | 32-bit PCI slots (4), floppy drive interface, green PC connector, IDE interfaces (2), parallel port, PS/2 mouse port, serial ports (2), ATX power connector, AGP slot, IR, connector, USB connectors (2), PS/2 mouse interface, audio in CD-ROMs (2), SB-link connector, wake on LAN connector, TA-link connector, TB-link connector |

CONNECTIONS | |||
Purpose | Location | Purpose | Location |
AGP slot | AGP | Audio in CD-ROM | J23 |
ATX power connector | ATX | Audio in CD-ROM | J24 |
TB-link connector | C2 | USB connector 1 | JP2/pins 1 - 5 |
Wake up connector | C3 | PS/2 mouse interface | JP2/pins 6 - 10 |
TA-link connector | C4 | USB connector 2 | JP2/pins 11 - 15 |
SB-link connector | C5 | IR connector | JP2/pins 16 - 20 |
Serial port 2 | CN1 | Power LED & keylock | JP9/pins 1 - 5 |
Serial port 1 | CN2 | Green PC connector | JP9/pins 7 & 8 |
Parallel port | CN3 | Speaker | JP9/pins 10 - 13 |
Floppy drive interface | CN4 | IDE interface LED | JP9/pins 14 & 15 |
IDE interface 2 | CN5 | Soft off power supply | JP9/pins 17 & 18 |
IDE interface 1 | CN6 | Reset switch | JP9/pins 22 & 23 |
Audio header | CN7 | 32-bit PCI slots | PC1 PC4 |
CPU fan power | J17 | ||
DIMM CONFIGURATION | |||
Size | Bank 0 | Bank 1 | Bank 2 |
8MB | (1) 1M x 64 | None | None |
16MB | (1) 2M x 64 | None | None |
16MB | (1) 1M x 64 | (1) 1M x 64 | None |
24MB | (1) 2M x 64 | (1) 1M x 64 | None |
24MB | (1) 1M x 64 | (1) 1M x 64 | (1) 1M x 64 |
32MB | (1) 4M x 64 | None | None |
32MB | (1) 2M x 64 | (1) 1M x 64 | (1) 1M x 64 |
32MB | (1) 2M x 64 | (1) 2M x 64 | None |
40MB | (1) 4M x 64 | (1) 1M x 64 | None |
40MB | (1) 2M x 64 | (1) 2M x 64 | (1) 1M x 64 |
48MB | (1) 4M x 64 | (1) 1M x 64 | (1) 1M x 64 |
48MB | (1) 4M x 64 | (1) 2M x 64 | None |
48MB | (1) 2M x 64 | (1) 2M x 64 | (1) 2M x 64 |
56MB | (1) 4M x 64 | (1) 2M x 64 | (1) 1M x 64 |
64MB | (1) 8M x 64 | None | None |
64MB | (1) 4M x 64 | (1) 2M x 64 | (1) 2M x 64 |
64MB | (1) 4M x 64 | (1) 4M x 64 | None |
72MB | (1) 8M x 64 | (1) 1M x 64 | None |
DIMM CONFIGURATION (CONT) | |||
Size | Bank 0 | Bank 1 | Bank 2 |
72MB | (1) 4M x 64 | (1) 4M x 64 | (1) 1M x 64 |
80MB | (1) 8M x 64 | (1) 1M x 64 | (1) 1M x 64 |
80MB | (1) 8M x 64 | (1) 2M x 64 | None |
80MB | (1) 4M x 64 | (1) 4M x 64 | (1) 2M x 64 |
88MB | (1) 8M x 64 | (1) 2M x 64 | (1) 1M x 64 |
96MB | (1) 8M x 64 | (1) 2M x 64 | (1) 2M x 64 |
96MB | (1) 8M x 64 | (1) 4M x 64 | None |
96MB | (1) 4M x 64 | (1) 4M x 64 | (1) 4M x 64 |
104MB | (1) 8M x 64 | (1) 4M x 64 | (1) 1M x 64 |
112MB | (1) 8M x 64 | (1) 4M x 64 | (1) 2M x 64 |
128MB | (1) 16M x 64 | None | None |
128MB | (1) 8M x 64 | (1) 4M x 64 | (1) 4M x 64 |
128MB | (1) 8M x 64 | (1) 8M x 64 | None |
136MB | (1) 16M x 64 | (1) 1M x 64 | None |
136MB | (1) 8M x 64 | (1) 8M x 64 | (1) 1M x 64 |
144MB | (1) 16M x 64 | (1) 1M x 64 | (1) 1M x 64 |
144MB | (1) 16M x 64 | (1) 2M x 64 | None |
144MB | (1) 8M x 64 | (1) 8M x 64 | (1) 2M x 64 |
152MB | (1) 16M x 64 | (1) 2M x 64 | (1) 1M x 64 |
160MB | (1) 16M x 64 | (1) 2M x 64 | (1) 2M x 64 |
160MB | (1) 16M x 64 | (1) 4M x 64 | None |
160MB | (1) 8M x 64 | (1) 8M x 64 | (1) 4M x 64 |
168MB | (1) 16M x 64 | (1) 4M x 64 | (1) 1M x 64 |
176MB | (1) 16M x 64 | (1) 4M x 64 | (1) 2M x 64 |
192MB | (1) 16M x 64 | (1) 4M x 64 | (1) 4M x 64 |
192MB | (1) 16M x 64 | (1) 8M x 64 | None |
192MB | (1) 8M x 64 | (1) 8M x 64 | (1) 8M x 64 |
200MB | (1) 16M x 64 | (1) 8M x 64 | (1) 1M x 64 |
208MB | (1) 16M x 64 | (1) 8M x 64 | (1) 2M x 64 |
224MB | (1) 16M x 64 | (1) 8M x 64 | (1) 4M x 64 |
256MB | (1) 16M x 64 | (1) 8M x 64 | (1) 8M x 64 |
384MB | (1) 16M x 64 | (1) 16M x 64 | (1) 16M x 64 |
Note: Board accepts SDRAM memory. The CreateLXe has an optional 3 rd DIMM socket. The maximum memory with the 3 rd socket is 256MB. | |||
CACHE CONFIGURATION |
Note: 256KB/512KB cache is located on the Pentium II CPU. 128KB cache is located on the Celeron 300A & 333 CPU. |