TOTEM TECHNOLOGY CO., LTD.
TM-P2BXATVA
Device Type | Mainboard |
Processor | Pentium II |
Processor Speed | 233/266/300/333/350/400/450/500MHz |
Chip Set | Intel 440BX |
Maximum Onboard Memory | 768MB (EDO & SDRAM supported) |
Cache | 256/512KB (located on Pentium II CPU) |
BIOS | Award |
Dimensions | 220mm x 200mm |
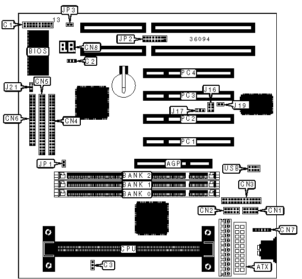
I/O Options | 32-bit PCI slots (4), floppy drive interface, IDE interfaces (2), parallel port, PS/2 mouse interface, serial ports (2), IR connector, USB connector, ATX power connector, AGP slot, SB-link connector, wake on LAN connector |

CONNECTIONS | |||
Purpose | Location | Purpose | Location |
AGP slot | AGP | Reset switch | C1/pins 11 & 12 |
ATX power connector | ATX | IR connector | C1/pins 13 - 16 |
Serial port 2 | CN1 | Speaker | C1/pins 17 - 20 |
Serial port 1 | CN2 | IDE interface LED | C1/pins 21 & 22 |
Parallel port | CN3 | Soft off power supply | C1/pins 23 & 24 |
IDE interface 1 | CN4 | Chassis fan power | C2 |
IDE interface 2 | CN5 | CPU fan power | C3 |
Floppy drive interface | CN6 | SB-link connector | J16 |
PS/2 mouse interface | CN7 | Wake on LAN connector | J17 |
Debug display | CN8 | Debug connector | JP2 |
IR connector | C1/pins 1 - 5 | 32-bit PCI slots | PC1 - PC4 |
Power LED & keylock | C1/pins 6 - 10 | USB connector | USB |
USER CONFIGURABLE SETTINGS | |||
Function | Label | Position | |
» | Factory configured - do not alter | J19 | Unidentified |
» | CMOS memory normal operation | J21 | Pins 1 & 2 closed |
| CMOS memory clear | J21 | Pins 2 & 3 closed |
| Debug display type select on board | JP3 | Closed |
| Debug display type select external | JP3 | Open |
DIMM CONFIGURATION | |||
Size | Bank 0 | Bank 1 | Bank 2 |
8MB | (1) 1M x 64 | None | None |
16MB | (1) 2M x 64 | None | None |
16MB | (1) 1M x 64 | (1) 1M x 64 | None |
24MB | (1) 2M x 64 | (1) 1M x 64 | None |
24MB | (1) 1M x 64 | (1) 1M x 64 | (1) 1M x 64 |
32MB | (1) 4M x 64 | None | None |
32MB | (1) 2M x 64 | (1) 1M x 64 | (1) 1M x 64 |
32MB | (1) 2M x 64 | (1) 2M x 64 | None |
40MB | (1) 4M x 64 | (1) 1M x 64 | None |
40MB | (1) 2M x 64 | (1) 2M x 64 | (1) 1M x 64 |
48MB | (1) 4M x 64 | (1) 1M x 64 | (1) 1M x 64 |
48MB | (1) 4M x 64 | (1) 2M x 64 | None |
48MB | (1) 2M x 64 | (1) 2M x 64 | (1) 2M x 64 |
56MB | (1) 4M x 64 | (1) 2M x 64 | (1) 1M x 64 |
64MB | (1) 8M x 64 | None | None |
64MB | (1) 4M x 64 | (1) 2M x 64 | (1) 2M x 64 |
64MB | (1) 4M x 64 | (1) 4M x 64 | None |
72MB | (1) 8M x 64 | (1) 1M x 64 | None |
72MB | (1) 4M x 64 | (1) 4M x 64 | (1) 1M x 64 |
80MB | (1) 8M x 64 | (1) 1M x 64 | (1) 1M x 64 |
80MB | (1) 8M x 64 | (1) 2M x 64 | None |
80MB | (1) 4M x 64 | (1) 4M x 64 | (1) 2M x 64 |
88MB | (1) 8M x 64 | (1) 2M x 64 | (1) 1M x 64 |
96MB | (1) 8M x 64 | (1) 2M x 64 | (1) 2M x 64 |
96MB | (1) 8M x 64 | (1) 4M x 64 | None |
96MB | (1) 4M x 64 | (1) 4M x 64 | (1) 4M x 64 |
104MB | (1) 8M x 64 | (1) 4M x 64 | (1) 1M x 64 |
112MB | (1) 8M x 64 | (1) 4M x 64 | (1) 2M x 64 |
128MB | (1) 16M x 64 | None | None |
128MB | (1) 8M x 64 | (1) 4M x 64 | (1) 4M x 64 |
128MB | (1) 8M x 64 | (1) 8M x 64 | None |
136MB | (1) 16M x 64 | (1) 1M x 64 | None |
136MB | (1) 8M x 64 | (1) 8M x 64 | (1) 1M x 64 |
144MB | (1) 16M x 64 | (1) 1M x 64 | (1) 1M x 64 |
144MB | (1) 16M x 64 | (1) 2M x 64 | None |
144MB | (1) 8M x 64 | (1) 8M x 64 | (1) 2M x 64 |
152MB | (1) 16M x 64 | (1) 2M x 64 | (1) 1M x 64 |
160MB | (1) 16M x 64 | (1) 2M x 64 | (1) 2M x 64 |
160MB | (1) 16M x 64 | (1) 4M x 64 | None |
160MB | (1) 8M x 64 | (1) 8M x 64 | (1) 4M x 64 |
168MB | (1) 16M x 64 | (1) 4M x 64 | (1) 1M x 64 |
176MB | (1) 16M x 64 | (1) 4M x 64 | (1) 2M x 64 |
192MB | (1) 16M x 64 | (1) 4M x 64 | (1) 4M x 64 |
192MB | (1) 16M x 64 | (1) 8M x 64 | None |
192MB | (1) 8M x 64 | (1) 8M x 64 | (1) 8M x 64 |
200MB | (1) 16M x 64 | (1) 8M x 64 | (1) 1M x 64 |
208MB | (1) 16M x 64 | (1) 8M x 64 | (1) 2M x 64 |
224MB | (1) 16M x 64 | (1) 8M x 64 | (1) 4M x 64 |
256MB | (1) 32M x 64 | None | None |
272MB | (1) 32M x 64 | (1) 1M x 64 | (1) 1M x 64 |
272MB | (1) 32M x 64 | (1) 2M x 64 | None |
288MB | (1) 32M x 64 | (1) 2M x 64 | (1) 2M x 64 |
288MB | (1) 32M x 64 | (1) 4M x 64 | None |
320MB | (1) 32M x 64 | (1) 4M x 64 | (1) 4M x 64 |
320MB | (1) 32M x 64 | (1) 8M x 64 | None |
384MB | (1) 32M x 64 | (1) 8M x 64 | (1) 8M x 64 |
384MB | (1) 32M x 64 | (1) 16M x 64 | None |
384MB | (1) 16M x 64 | (1) 16M x 64 | (1) 16M x 64 |
512MB | (1) 32M x 64 | (1) 16M x 64 | (1) 16M x 64 |
512MB | (1) 32M x 64 | (1) 32M x 64 | None |
768MB | (1) 32M x 64 | (1) 32M x 64 | (1) 32M x 64 |
Note: Board accepts EDO & SDRAM memory. | |||
CACHE CONFIGURATION |
Note: 256KB/512KB cache is located on the Pentium II CPU. |
CPU SPEED SELECTION | |||
CPU speed | Clock speed | Multiplier | JP1 |
233MHz | 66MHz | 3.5x | Closed |
266MHz | 66MHz | 4x | Closed |
300MHz | 66MHz | 4.5x | Closed |
333MHz | 66MHz | 5x | Closed |
350MHz | 100MHz | 3.5x | Open |
400MHz | 100MHz | 4x | Open |
450MHz | 100MHz | 4.5x | Open |
500MHz | 100MHz | 5x | Open |
DEBUG DISPLAY SELECTION | |||
Error code | Display | Message | Solution |
C1 | None | Can't detect DRAM | Replace/reinstall SDRAM |
C1 | None | Can't detect DRAM | Replace/reinstall BIOS |
C6 | None | Can't detect DRAM | Replace/reinstall SDRAM |
C6 | None | Can't detect DRAM | Replace/reinstall BIOS |
OD | None | Can't detect VGA card | Replace/reinstall VGA card |
OD | None | Can't detect VGA card | Replace/reinstall BIOS |
4E | Yes | Can't detect floppy drive | Replace BIOS |
4E | Yes | Can't detect floppy drive | Enter BIOS menu to reset |
4E | Yes | Can't detect floppy drive | Check that floppy is connected |
4E | Yes | Can't detect floppy drive | Reconnect/reinstall floppy cable |
61 | Yes | L2 cache problem | Enter BIOS menu to disable cache |