SIEMENS-NIXDORF INFORMATIONSSYSTEME AG
SYSTEM BOARD D990
Device Type | Mainboard |
Processor | Pentium |
Processor Speed | 90/100/120/133/150/166/200MHz |
Chip Set | Unidentified |
Video Chip Set | Matrox |
Maximum Onboard Memory | 256MB (EDO & SDRAM supported) |
Maximum Video Memory | 4MB (SGRAM supported) |
Cache | 128/256/512KB |
BIOS | Unidentified |
Dimensions | 305mm x 244mm |
I/O Options | 32-bit PCI slots (4), floppy drive interface, game/MIDI port, IDE interfaces (2), parallel port, PS/2 mouse port, serial port, VGA feature connector, VGA port, cache slot, IR connector, USB connector, ATX power connector, audio in – CD-ROM |
NPU Options | None |

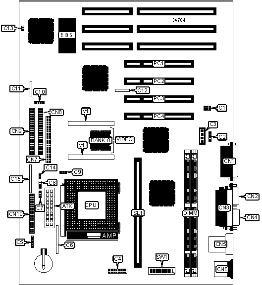
CONNECTIONS | |||
Purpose | Location | Purpose | Location |
ATX power connector | ATX | Front panel connector | C15 |
Voice modem connector | C1 | Game/MIDI port | CN1 |
Auxiliary in | C2 | VGA port | CN2 |
Audio in – CD-ROM | C3 | Parallel port | CN3 |
Chip card reader | C4 | Serial port 1 | CN4 |
IR connector | C5 | USB connector | CN5 |
Reset switch | C6 | PS/2 mouse port | CN6 |
SCSI interface LED | C7 | VGA feature connector | CN7 |
Soft off power supply | C8 | IDE interface 1 | CN8 |
Chassis fan power | C9 | IDE interface 2 | CN9 |
Speaker | C10 | Floppy drive interface | CN10 |
I2C connector | C11 | 32-bit PCI slots | PC1 – PC4 |
Wake on modem connector | C13 | Cache slot | SL1 |
Power on connector | C14 | ||
USER CONFIGURABLE SETTINGS | |||
Function | Label | Position | |
» | Factory configured - do not alter | C12 | Unidentified |
» | Flash BIOS normal operation | SW1/5 | Off |
Flash BIOS recovery mode | SW1/5 | On | |
» | Factory configured - do not alter | SW1/6 | Off |
» | Factory configured - do not alter | SW1/7 | Unidentified |
» | Floppy drive write protect disabled | SW1/8 | Off |
Floppy drive write protect enabled | SW1/8 | On | |
DIMM CONFIGURATION | ||
Size | Bank 0 | Bank 1 |
8MB | (1) 1M x 64 | None |
16MB | (1) 2M x 64 | None |
16MB | (1) 1M x 64 | (1) 1M x 64 |
24MB | (1) 2M x 64 | (1) 1M x 64 |
32MB | (1) 4M x 64 | None |
32MB | (1) 2M x 64 | (1) 2M x 64 |
40MB | (1) 4M x 64 | (1) 1M x 64 |
48MB | (1) 4M x 64 | (1) 2M x 64 |
64MB | (1) 8M x 64 | None |
DIMM CONFIGURATION (CON’T) | ||
Size | Bank 0 | Bank 1 |
64MB | (1) 4M x 64 | (1) 4M x 64 |
72MB | (1) 8M x 64 | (1) 1M x 64 |
80MB | (1) 8M x 64 | (1) 2M x 64 |
96MB | (1) 8M x 64 | (1) 4M x 64 |
128MB | (1) 16M x 64 | None |
128MB | (1) 8M x 64 | (1) 8M x 64 |
136MB | (1) 16M x 64 | (1) 1M x 64 |
144MB | (1) 16M x 64 | (1) 2M x 64 |
160MB | (1) 16M x 64 | (1) 4M x 64 |
192MB | (1) 16M x 64 | (1) 8M x 64 |
256MB | (1) 16M x 64 | (1) 16M x 64 |
Note: Board accepts EDO & SDRAM memory. | ||
CACHE CONFIGURATION | |
Size | SL1 |
128KB | 128KB module installed |
256KB | 256KB module installed |
512KB | 512KB module installed |
VIDEO MEMORY CONFIGURATION | ||
Size | Bank 0 | V1 |
2MB | 2MB | None |
4MB | 2MB | 2MB module installed |
CPU SPEED SELECTION | ||||||
CPU speed | Clock speed | Multiplier | SW1/1 | SW1/2 | SW1/3 | SW1/4 |
90MHz | 60MHz | 1.5x | Off | On | Off | Off |
100MHz | 66MHz | 1.5x | On | Off | Off | Off |
120MHz | 60MHz | 2x | Off | On | On | Off |
133MHz | 66MHz | 2x | On | Off | On | Off |
150MHz | 60MHz | 2.5x | Off | On | On | On |
166MHz | 66MHz | 2.5x | On | Off | On | On |
200MHz | 66MHz | 3x | On | Off | Off | On |