MICRO-STAR INTERNATIONAL CO., LTD.
MS-5148
Processor | CX M1/CX M2/AM K5/AM K6/Pentium |
Processor Speed | 90/100/120/133/150/166/180/200/225/233MHz |
Chip Set | Intel |
Video Chip Set | None |
Maximum Onboard Memory | 256MB (EDO supported) |
Maximum Video Memory | None |
Cache | 256/512KB |
BIOS | Award |
Dimensions | 300mm x 186mm |
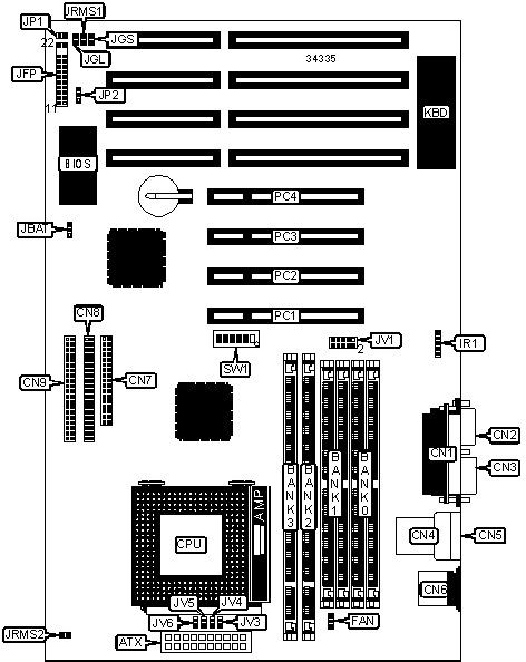
I/O Options | 32-bit PCI slots (4), floppy drive interface, green PC connector, IDE interfaces (2), parallel port, PS/2 mouse port, serial ports (2), IR connector, USB connectors (2), ATX power connector |
NPU Options | None |

CONNECTIONS | |||
Purpose | Location | Purpose | Location |
ATX power connector | ATX | IR connector | IR1 |
Parallel port | CN1 | Power LED & keylock | JFP/pins 1 - 5 |
Serial port 1 | CN2 | Speaker | JFP/pins 7 - 10 |
Serial port 2 | CN3 | Turbo LED | JFP/pins 12 & 13 |
USB connector | CN4 | Reset switch | JFP/pins 19 & 20 |
USB connector | CN5 | IDE interface LED | JFP/pins 21 & 22 |
PS/2 mouse port | CN6 | Green PC LED | JGL |
Floppy drive interface | CN7 | Green PC connector | JGS |
IDE interface 1 | CN8 | Soft off power supply | JRMS1 |
IDE interface 2 | CN9 | Soft off power supply | JRMS2 |
Chassis fan power | FAN | 32-bit PCI slots | PC1 – PC4 |
USER CONFIGURABLE SETTINGS | |||
Function | Label | Position | |
» | CMOS memory normal operation | JBAT | Pins 1 & 2 closed |
CMOS memory clear | JBAT | Pins 2 & 3 closed | |
» | Factory configured - do not alter | JP1 | Unidentified |
» | Flash BIOS voltage select 5v | JP2 | Pins 1 & 2 closed |
Flash BIOS voltage select 12v | JP2 | Pins 2 & 3 closed | |
DIMM/DRAM CONFIGURATION | ||||
Size | Bank 0 | Bank 1 | Bank 2 | Bank 3 |
8MB | (2) 1M x 36 | None | None | None |
8MB | None | None | (1) 1M x 64 | None |
16MB | (2) 2M x 36 | None | None | None |
16MB | None | None | (1) 2M x 64 | None |
16MB | (2) 1M x 36 | (2) 1M x 36 | None | None |
16MB | (2) 1M x 36 | None | None | (1) 1M x 64 |
16MB | None | None | (1) 1M x 64 | (1) 1M x 64 |
24MB | None | (2) 2M x 36 | (1) 1M x 64 | None |
32MB | (2) 4M x 36 | None | None | None |
32MB | None | None | (1) 4M x 64 | None |
32MB | (2) 2M x 36 | None | None | (1) 2M x 64 |
40MB | (2) 4M x 36 | (2) 1M x 36 | None | None |
40MB | (2) 4M x 36 | None | None | (1) 1M x 64 |
48MB | (2) 2M x 36 | None | None | (1) 4M x 64 |
48MB | (2) 4M x 36 | (2) 2M x 36 | None | None |
64MB | (2) 8M x 36 | None | None | None |
64MB | None | None | None | (1) 8M x 64 |
64MB | (2) 4M x 36 | (2) 4M x 36 | None | None |
64MB | (2) 4M x 36 | None | None | (1) 4M x 64 |
DIMM/DRAM CONFIGURATION (CON’T) | ||||
Size | Bank 0 | Bank 1 | Bank 2 | Bank 3 |
64MB | None | None | (1) 4M x 64 | (1) 4M x 64 |
72MB | (2) 8M x 36 | (2) 1M x 36 | None | None |
72MB | (2) 8M x 36 | None | None | (1) 1M x 64 |
80MB | None | (2) 2M x 36 | (1) 8M x 64 | None |
80MB | (2) 8M x 36 | None | None | (1) 2M x 64 |
80MB | (2) 8M x 36 | (2) 2M x 36 | None | None |
96MB | (2) 4M x 36 | None | None | (1) 8M x 64 |
96MB | (2) 8M x 36 | (2) 4M x 36 | None | None |
96MB | (2) 8M x 36 | None | None | (1) 4M x 64 |
128MB | (2) 8M x 36 | None | None | (1) 8M x 64 |
128MB | None | None | (1) 8M x 64 | (1) 8M x 64 |
128MB | (2) 8M x 36 | (2) 8M x 36 | None | None |
128MB | (2) 16M x 36 | None | None | None |
128MB | None | None | None | (1) 16M x 64 |
136MB | (2) 16M x 36 | (2) 1M x 36 | None | None |
136MB | (2) 16M x 36 | None | None | (1) 1M x 64 |
144MB | (2) 16M x 36 | (2) 2M x 36 | None | None |
160MB | (2) 16M x 36 | (2) 4M x 36 | None | None |
192MB | (2) 16M x 36 | (2) 8M x 36 | None | None |
192MB | (2) 16M x 36 | None | None | (1) 8M x 64 |
256MB | (2) 16M x 36 | (2) 16M x 36 | None | None |
256MB | (2) 32M x 36 | None | None | None |
256MB | None | None | (1) 16M x 64 | (1) 16M x 64 |
256MB | None | None | (1) 32M x 64 | None |
Note: Board accepts EDO memory. | ||||
DIMM VOLTAGE CONFIGURATION | |
Voltage | JV1 |
3.3v | Pins 7 & 8, 9 & 10 closed |
5v | Pins 1 & 2, 3 & 4 closed |
CACHE CONFIGURATION |
Note: The location of the 256KB/512KB cache is unidentified. |
CPU SPEED SELECTION (CYRIX M1) | ||||||||
CPU speed | Clock speed | Multiplier | SW1/1 | SW1/2 | SW1/3 | SW1/4 | SW1/5 | SW1/6 |
133MHz | 55MHz | 2x | On | Off | Off | On | On | Off |
150MHz | 60MHz | 2x | On | Off | Off | On | Off | Off |
166MHz | 66MHz | 2x | On | Off | Off | Off | Off | Off |
200MHz | 75MHz | 2x | On | Off | Off | Off | On | Off |
CPU SPEED SELECTION (CYRIX M2) | ||||||||
CPU speed | Clock speed | Multiplier | SW1/1 | SW1/2 | SW1/3 | SW1/4 | SW1/5 | SW1/6 |
166MHz | 66MHz | 2.5x | On | On | Off | Off | Off | Off |
180MHz | 60MHz | 3x | Off | On | Off | On | Off | Off |
200MHz | 66MHz | 3x | Off | On | Off | Off | Off | Off |
225MHz | 75MHz | 3x | Off | On | Off | Off | On | Off |
CPU SPEED SELECTION (AMD) | ||||||||
CPU speed | Clock speed | Multiplier | SW1/1 | SW1/2 | SW1/3 | SW1/4 | SW1/5 | SW1/6 |
90MHz | 60MHz | 1.5x | Off | Off | Off | On | Off | Off |
100MHz | 66MHz | 1.5x | Off | Off | Off | Off | Off | Off |
120MHz | 60MHz | 2x | On | Off | Off | On | Off | Off |
133MHz | 66MHz | 2x | On | Off | Off | Off | Off | Off |
150MHz | 60MHz | 2.5x | On | On | Off | On | Off | Off |
166MHz | 66MHz | 2.5x | On | On | Off | Off | Off | Off |
200MHz | 66MHz | 3x | Off | On | Off | Off | Off | Off |
233MHz | 66MHz | 3.5x | Off | Off | Off | Off | Off | Off |
CPU SPEED SELECTION (INTEL) | ||||||||
CPU speed | Clock speed | Multiplier | SW1/1 | SW1/2 | SW1/3 | SW1/4 | SW1/5 | SW1/6 |
90MHz | 60MHz | 1.5x | Off | Off | Off | On | Off | Off |
100MHz | 66MHz | 1.5x | Off | Off | Off | Off | Off | Off |
120MHz | 60MHz | 2x | On | Off | Off | On | Off | Off |
133MHz | 66MHz | 2x | On | Off | Off | Off | Off | Off |
150MHz | 60MHz | 2.5x | On | On | Off | On | Off | Off |
166MHz | 66MHz | 2.5x | On | On | Off | Off | Off | Off |
200MHz | 66MHz | 3x | Off | On | Off | Off | Off | Off |
233MHz | 66MHz | 3.5x | Off | Off | Off | Off | Off | Off |
CPU VOLTAGE SELECTION (SINGLE) | ||||
Voltage | JV3 | JV4 | JV5 | JV6 |
3.38v | Open | Closed | Open | Open |
3.52v | Closed | Open | Open | Open |
CPU VOLTAGE SELECTION (DUAL) | |||||
Voltage | V core | JV3 | JV4 | JV5 | JV6 |
3.3v | 2.8v | Closed | Open | Open | Open |
3.3v | 2.9v | Open | Open | Open | Closed |
3.3v | 3.2v | Open | Open | Closed | Open |