MICRO-STAR INTERNATIONAL CO., LTD.
MS-5136 (VER 1.0)
Processor | CX M1/AM K5/Pentium |
Processor Speed | 75/90/100/120/133/150/166/200MHz |
Chip Set | Intel |
Video Chip Set | None |
Maximum Onboard Memory | 128MB (EDO supported) |
Maximum Video Memory | None |
Cache | 256/512KB |
BIOS | AMI/Award |
Dimensions | 305mm x 220mm |
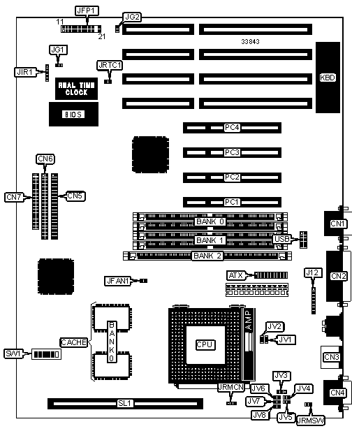
I/O Options | 32-bit PCI slots (4), floppy drive interface, green PC connector, IDE interfaces (2), parallel port, PS/2 mouse port, serial ports (2), cache slot, IR connector, USB connector, ATX power connector, remote power on/off switch, remote on/off switch |
NPU Options | None |

CONNECTIONS | |||
Purpose | Location | Purpose | Location |
ATX power connector | ATX | Turbo LED | JFP1 pins 12 & 13 |
Serial port 2 | CN1 | Turbo switch | JFP1 pins 15 & 17 |
Parallel port | CN2 | Reset switch | JFP1 pins 19 & 20 |
PS/2 mouse port | CN3 | IDE interface LED | JFP1 pins 21 & 22 |
Serial port 1 | CN4 | Green PC connector | JG2 |
IDE interface 1 | CN5 | IR connector | JIR1 |
IDE interface 2 | CN6 | Remote on/off switch | JRMCN |
Floppy drive interface | CN7 | Remote on/off switch | JRMSW |
Chassis fan power | JFAN1 | 32-bit PCI slots | PC1 - PC4 |
Power LED & keylock | JFP1 pins 1 - 5 | Cache slot | SL1 |
Speaker | JFP1 pins 7 & 10 | USB connector | USB |
USER CONFIGURABLE SETTINGS | |||
Function | Label | Position | |
» | Factory configured - do not alter | J12 | 1 & 2, 3 & 4, 5 & 6, 7 & 8 |
» | Factory configured - do not alter | JG1 | Unidentified |
» | Factory configured - do not alter | JRTC1 | Unidentified |
Note: Pins designated should be in the closed position. | |||
DRAM CONFIGURATION | |||
Size | Bank 0 | Bank 1 | Bank 2 |
8MB | (2) 1M x 36 | None | None |
8MB | None | None | (1) 1M x 64 |
16MB | (2) 2M x 36 | None | None |
16MB | (2) 1M x 36 | (2) 1M x 36 | None |
16MB | None | None | (1) 2M x 64 |
24MB | (2) 1M x 36 | (2) 2M x 36 | None |
32MB | (2) 4M x 36 | None | None |
32MB | (2) 2M x 36 | (2) 2M x 36 | None |
32MB | None | None | (1) 4M x 64 |
40MB | (2) 4M x 36 | (2) 1M x 36 | None |
48MB | (2) 2M x 36 | (2) 4M x 36 | None |
64MB | (2) 8M x 36 | None | None |
64MB | (2) 4M x 36 | (2) 4M x 36 | None |
64MB | None | None | (1) 8M x 64 |
72MB | (2) 1M x 36 | (2) 8M x 36 | None |
80MB | (2) 8M x 36 | (2) 2M x 36 | None |
96MB | (2) 4M x 36 | (2) 8M x 36 | None |
128MB | (2) 8M x 36 | (2) 8M x 36 | None |
Note: Board accepts EDO memory. Banks 0 & 1 are interchangeable. | |||
CACHE CONFIGURATION | ||
Size | Bank 0 | SL1 |
256KB | (2) 32K x 32 | Not installed |
512KB | (2) 32K x 32 | 256KB module installed |
CPU SPEED SELECTION (CYRIX) | ||||||||
CPU speed | Clock speed | Multiplier | SW1/1 | SW1/2 | SW1/3 | SW1/4 | SW1/5 | SW1/6 |
120MHz | 50MHz | 2x | Off | Off | On | Off | On | Off |
133MHz | 55MHz | 2x | Off | On | On | On | On | Off |
150MHz | 60MHz | 2x | Off | On | Off | Off | On | Off |
166MHz | 66MHz | 2x | Off | Off | Off | Off | On | Off |
CPU SPEED SELECTION (AMD) | ||||||||
CPU speed | Clock speed | Multiplier | SW1/1 | SW1/2 | SW1/3 | SW1/4 | SW1/5 | SW1/6 |
75MHz | 50MHz | 1.5x | Off | Off | On | Off | Off | Off |
90MHz | 60MHz | 1.5x | Off | On | Off | Off | Off | Off |
CPU SPEED SELECTION (INTEL) | ||||||||
CPU speed | Clock speed | Multiplier | SW1/1 | SW1/2 | SW1/3 | SW1/4 | SW1/5 | SW1/6 |
75MHz | 50MHz | 1.5x | Off | Off | On | Off | Off | Off |
90MHz | 60MHz | 1.5x | Off | On | Off | Off | Off | Off |
100MHz | 66MHz | 1.5x | Off | Off | Off | Off | Off | Off |
120MHz | 60MHz | 2x | Off | On | Off | Off | On | Off |
133MHz | 66MHz | 2x | Off | Off | Off | Off | On | Off |
150MHz | 60MHz | 2.5x | Off | On | Off | Off | On | On |
166MHz | 66MHz | 2.5x | Off | Off | Off | Off | On | On |
200MHz | 66MHz | 3x | Off | Off | Off | Off | Off | On |
CPU VOLTAGE SELECTION | |||||||||
V core | VI/O | JV1 | JV2 | JV3 | JV4 | JV5 | JV6 | JV7 | JV8 |
2.5v | 3.3v | Open | Open | 2 & 3 | Open | Open | Closed | Open | Open |
2.8v | 3.3v | Open | Open | 2 & 3 | Open | Open | Open | Closed | Open |
2.9v | 3.3v | Open | Open | 2 & 3 | Open | Open | Open | Open | Closed |
3.38v | 3.38v | Closed | Closed | 1 & 2 | Closed | Open | Open | Open | Open |
3.52v | 3.52v | Closed | Closed | 1 & 2 | Open | Closed | Open | Open | Open |