MICRO-STAR INTERNATIONAL CO., LTD.
MS-6116
Device Type | Mainboard |
Processor | Pentium II |
Processor Speed | 233/250/266/300/350/400/450MHz |
Chip Set | Intel 440BX |
Maximum Onboard Memory | 1GB (EDO & SDRAM supported) |
Cache | 256/512KB (located on the Pentium II CPU) |
BIOS | Unidentified |
Dimensions | 300mm x 225mm |
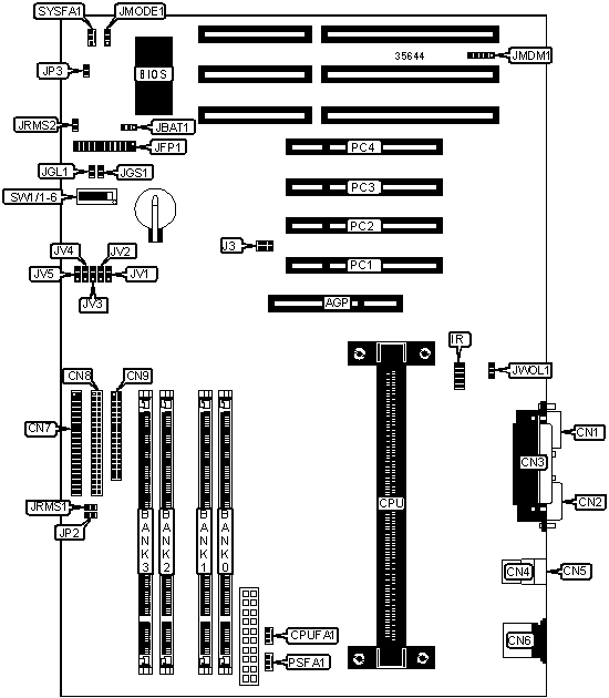
I/O Options | 32-bit PCI slots (4), floppy drive interfaceIDE interfaces (2), parallel port, PS/2 mouse port, serial ports (2), IR connector, USB connectors (2), ATX power connector, AGP slot |

CONNECTIONS | |||
Purpose | Location | Purpose | Location |
AGP slot | AGP | Power LED & keylock | JFP1/pins 1 - 5 |
ATX power connector | ATX | Speaker | JFP1/pins 7 - 10 |
Serial port 2 | CN1 | IDE interface LED | JFP1/pins 12 & 24 |
Serial port 1 | CN2 | Turbo LED | JFP1/pins 14 & 15 |
Parallel port | CN3 | Reset switch | JFP1/pins 21 & 22 |
USB connector 1 | CN4 | Wake on modem connector | JMDM1 |
USB connector 2 | CN5 | Chassis intrusion connector | JP3 |
PS/2 mouse port | CN6 | Power switch | JRMS1 |
IDE interface 1 | CN7 | Power switch | JRMS2 |
IDE interface 2 | CN8 | Wake on LAN connector | JWOL1 |
Floppy drive interface | CN9 | 32-bit PCI slots | PC1 - PC4 |
CPU fan power | CPUFA1 | Power supply fan power | PSFA1 |
IR connector | IR | Chassis fan power | SYSFA1 |
Sound card connector | J3 | ||
USER CONFIGURABLE SETTINGS | |||
Function | Label | Position | |
Flash BIOS voltage select 12v | JMODE1 | Pins 1 & 2 closed | |
Flash BIOS voltage select 5v | JMODE1 | Pins 2 & 3 closed | |
» | CMOS memory normal operation | JBAT1 | Pins 1 & 2 closed |
CMOS memory clear | JBAT1 | Pins 2 & 3 closed | |
» | Boot up by switch | JP2 | Closed |
Immediate boot up | JP2 | Open | |
DIMM CONFIGURATION | ||||
Size | Bank 0 | Bank 1 | Bank 2 | Bank 3 |
8 MB | (1) 1M x 64 | None | None | None |
16 MB | (1) 1M x 64 | (1) 1M x 64 | None | None |
16 MB | (1) 2M x 64 | None | None | None |
24 MB | (1) 1M x 64 | (1) 1M x 64 | (1) 1M x 64 | None |
32 MB | (1) 1M x 64 | (1) 1M x 64 | (1) 1M x 64 | (1) 1M x 64 |
32 MB | (1) 2M x 64 | (1) 2M x 64 | None | None |
32 MB | (1) 4M x 64 | None | None | None |
40 MB | (1) 2M x 64 | (1) 2M x 64 | (1) 1M x 64 | None |
48 MB | (1) 2M x 64 | (1) 2M x 64 | (1) 2M x 64 | None |
DIMM CONFIGURATION (CONT’) | ||||
Size | Bank 0 | Bank 1 | Bank 2 | Bank 3 |
64 MB | (1) 2M x 64 | (1) 2M x 64 | (1) 2M x 64 | (1) 2M x 64 |
64 MB | (1) 4M x 64 | (1) 4M x 64 | None | None |
64 MB | (1) 8M x 64 | None | None | None |
80 MB | (1) 4M x 64 | (1) 4M x 64 | (1) 2M x 64 | None |
96 MB | (1) 4M x 64 | (1) 4M x 64 | (1) 4M x 64 | None |
128 MB | (1) 4M x 64 | (1) 4M x 64 | (1) 4M x 64 | (1) 4M x 64 |
128 MB | (1) 8M x 64 | (1) 8M x 64 | None | None |
128 MB | (1) 16M x 64 | None | None | None |
130 MB | (1) 8M x 64 | (1) 8M x 64 | (1) 4M x 64 | None |
192 MB | (1) 8M x 64 | (1) 8M x 64 | (1) 8M x 64 | None |
256 MB | (1) 8M x 64 | (1) 8M x 64 | (1) 8M x 64 | (1) 8M x 64 |
256 MB | (1) 16M x 64 | (1) 16M x 64 | None | None |
256 MB | (1) 32M x 64 | None | None | None |
320 MB | (1) 16M x 64 | (1) 16M x 64 | (1) 8M x 64 | None |
384 MB | (1) 16M x 64 | (1) 16M x 64 | (1) 16M x 64 | None |
512 MB | (1) 16M x 64 | (1) 16M x 64 | (1) 16M x 64 | (1) 16M x 64 |
512 MB | (1) 32M x 64 | (1) 32M x 64 | None | None |
640 MB | (1) 32M x 64 | (1) 32M x 64 | (1) 16M x 64 | None |
768 MB | (1) 32M x 64 | (1) 32M x 64 | (1) 32M x 64 | None |
1024 MB | (1) 32M x 64 | (1) 32M x 64 | (1) 32M x 64 | (1) 32M x 64 |
CACHE CONFIGURATION |
Note: The 256/512KB cache is located on the Pentium II CPU. |
CPU SPEED SELECTION | ||
Speed | SW1/5 | SW1/6 |
66.6MHz | On | Off |
100MHz | Off | Off |
CPU MULTIPLIER SELECTION | ||||
Multiplier | SW1/1 | SW1/2 | SW1/3 | SW1/4 |
2.5x | On | Off | On | On |
3x | On | On | Off | On |
3.5x | On | Off | Off | On |
4x | On | On | On | Off |
4.5x | On | Off | On | Off |
5x | On | On | Off | Off |
5.5x | On | Off | Off | Off |
6x | Off | On | On | On |
6.5x | Off | Off | On | On |
7x | Off | On | Off | On |
7.5x | Off | Off | Off | On |
8x | Off | On | On | Off |