MICRO-STAR INTERNATIONAL CO., LTD.
MS-5176
Device Type | Mainboard |
Processor | Cyrix GX |
Processor Speed | 200/233/266MHz |
Chip Set | CX 5520 |
Video Chip Set | Cyrix |
Maximum Onboard Memory | 512MB (SDRAM supported) |
Maximum Video Memory | 1MB |
Audio Chip Set | Cyrix |
Cache | Unidentified |
BIOS | Award |
Dimensions | 244mm x 176mm |
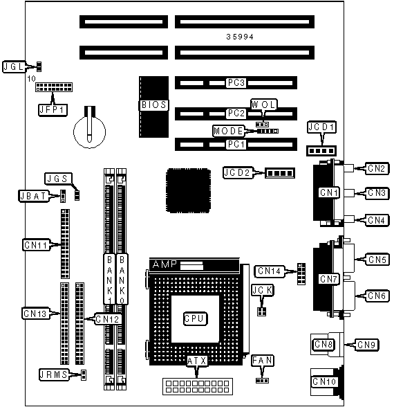
I/O Options | 32-bit PCI slots (3), floppy drive interface, game/MIDI port, green PC connector, IDE interfaces (2), parallel port, PS/2 mouse port, serial ports (2), IR connector, USB connectors (2), ATX power connector, line in, line out, microphone in, audio in CD-ROMs (2), wake on LAN connector, wake on modem connector |

CONNECTIONS | |||
Purpose | Location | Purpose | Location |
ATX power connector | ATX | Power supply fan | FAN |
Game/MIDI port | CN1 | Audio in CD-ROM | JCD1 |
Microphone in | CN2 | Audio in CD-ROM | JCD2 |
Line in | CN3 | Keylock | JFP1/pins 1 & 10 |
Line out | CN4 | IDE interface LED | JFP1/pins 3 & 13 |
VGA port | CN5 | Power LED | JFP1/pins 4 - 6 |
Serial port 1 | CN6 | Power switch | JFP1/pins 7 & 8 |
Parallel port | CN7 | Speaker | JFP1/pins 13 - 16 |
USB connector 1 | CN8 | Reset switch | JFP1/pins 17 & 18 |
USB connector 2 | CN9 | Green PC LED | JGL |
PS/2 mouse port | CN10 | Green PC connector | JGS |
IDE interface 2 | CN11 | Soft off power supply | JRMS |
IDE interface 1 | CN12 | Wake on modem connector | MODE |
Floppy drive interface | CN13 | 32-bit PCI slots | PC1 PC3 |
Serial port 2 | CN14 | Wake on LAN connector | WOL |
USER CONFIGURABLE SETTINGS | |||
Function | Label | Position | |
» | CMOS memory normal operation | JBAT | Pins 1 & 2 closed |
CMOS memory clear | JBAT | Pins 2 & 3 closed | |
DIMM CONFIGURATION | ||
Size | Bank 0 | Bank 1 |
8MB | (1) 1M x 64 | None |
16MB | (1) 2M x 64 | None |
16MB | (1) 1M x 64 | (1) 1M x 64 |
24MB | (1) 2M x 64 | (1) 1M x 64 |
32MB | (1) 4M x 64 | None |
32MB | (1) 2M x 64 | (1) 2M x 64 |
40MB | (1) 4M x 64 | (1) 1M x 64 |
48MB | (1) 4M x 64 | (1) 2M x 64 |
64MB | (1) 8M x 64 | None |
64MB | (1) 4M x 64 | (1) 4M x 64 |
72MB | (1) 8M x 64 | (1) 1M x 64 |
80MB | (1) 8M x 64 | (1) 2M x 64 |
96MB | (1) 8M x 64 | (1) 4M x 64 |
128MB | (1) 8M x 64 | (1) 8M x 64 |
128MB | (1) 16M x 64 | None |
136MB | (1) 16M x 64 | (1) 1M x 64 |
144MB | (1) 16M x 64 | (1) 2M x 64 |
160MB | (1) 16M x 64 | (1) 4M x 64 |
DIMM CONFIGURATION (CONT) | ||
Size | Bank 0 | Bank 1 |
192MB | (1) 16M x 64 | (1) 8M x 64 |
256MB | (1) 16M x 64 | (1) 16M x 64 |
256MB | (1) 32M x 64 | None |
264MB | (1) 32M x 64 | (1) 1M x 64 |
272MB | (1) 32M x 64 | (1) 2M x 64 |
288MB | (1) 32M x 64 | (1) 4M x 64 |
320MB | (1) 32M x 64 | (1) 8M x 64 |
384MB | (1) 32M x 64 | (1) 16M x 64 |
512MB | (1) 32M x 64 | (1) 32M x 64 |
Note: Board accepts SDRAM memory. | ||
CACHE CONFIGURATION |
Note: The size & location of the cache is unidentified. |
VIDEO MEMORY CONFIGURATION |
Note: The size & location of the video memory is unidentified. |
CPU SPEED SELECTION | |||
CPU speed | Clock speed | Multiplier | JCK |
200MHz | 66MHz | 3x | Pins 1 & 2 closed |
233MHz | 66MHz | 3.5x | Pins 3 & 4 closed |
266MHz | 66MHz | 4x | Open |