ICL
ERGOLITE SL486
Processor | 80486SX/80486DX/80486DX2 |
Processor Speed | 25/33/66(internal)MHz |
Chip Set | Acer |
Max. Onboard DRAM | 32MB |
Cache | None |
BIOS | Acer |
Dimensions | 430mm x 352mm |
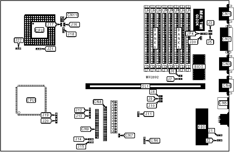
I/O Options | PS/2 mouse port, parallel port, serial ports (2), VGA port, floppy drive interface, IDE interface, riser slot |
NPU Options | None |

CONNECTIONS | |||
Purpose | Location | Purpose | Location |
VGA port | CN1 | Chassis fan power | CN7 |
Parallel port | CN2 | IDE interface | CN8 |
Serial port 1 | CN3 | Floppy drive interface | CN9 |
Serial port 2 | CN4 | External battery | JP4 |
PS/2 mouse port | CN5 | Riser Card | SL1 |
IDE interface LED | CN6 | ||
USER CONFIGURABLE SETTINGS | |||
Function | Jumper | Position | |
» | Factory configured - do not alter | J1 | pins 2 & 3 closed |
» | Password disabled | J2 | pins 2 & 3 closed |
Password enabled | J2 | pins 1 & 2 closed | |
» | Factory configured - do not alter | J3 | Open |
» | Battery type select internal | J5 | Closed |
Battery type select external | J5 | Open | |
» | IRQ 14 enabled | J6 | Closed |
IRQ 14 disabled | J6 | Open | |
» | IRQ12 used for mouse | J7 | Closed |
IRQ12 disabled | J7 | Open | |
» | Factory configured - do not alter | J8 | Closed |
» | Factory configured - do not alter | J9 | Closed |
» | Factory configured - do not alter | J10 | Closed |
» | On board VGA enabled | J11 | pins 1 & 2 closed |
On board VGA disabled | J11 | pins 2 & 3 closed | |
» | Factory configured - do not alter | J12 | pins 1 & 2 closed |
» | Factory configured - do not alter | J13 | pins 1 & 2 closed |
» | Factory configured - do not alter | J14 | pins 2 & 3 closed |
» | Factory configured - do not alter | J15 | pins 1 & 2 closed |
» | 80487SX not installed | J16 | Open |
80487SX installed | J16 | Closed | |
» | Factory configured - do not alter | J18 | pins 1 & 2 closed |
» | Factory configured - do not alter | J19 | pins 2 & 3 closed |
» | Factory configured - do not alter | J20 | pins 1 & 2 closed |
» | Factory configured - do not alter | J21 | pins 1 & 2 closed |
» | Factory configured - do not alter | J22 | pins 2 & 3 closed |
» | Factory configured - do not alter | J30 | N/A |
DRAM CONFIGURATION | ||
Size | Bank 0 | Bank 1 |
4MB | (4) 1M x 9 | NONE |
8MB | (4) 1M x 9 | (4) 1M x 9 |
16MB | (4) 4M x 9 | NONE |
32MB | (4) 4M x 9 | (4) 4M x 9 |
CPU TYPE CONFIGURATION | |
Type | JP17 |
80486SX | Open |
ODP486SX | Closed |
80487SX | Open |
80486DX | Closed |
80486DX2 | Closed |
CPU SPEED CONFIGURATION | |
Speed | CN11 |
25MHz | Open |
33MHz | pins 5 & 6 closed |
66iMHz | pins 5 & 6 closed |