FREE COMPUTER TECHNOLOGY, INC.
P6F90
Device Type | Mainboard |
Processor | Pentium II |
Processor Speed | 200/233/266/300/333MHz |
Chip Set | Intel 440LX |
Video Chip Set | None |
Maximum Onboard Memory | 384MB (EDO & SDRAM supported) |
Maximum Video Memory | None |
Cache | 512KB (located on Pentium II CPU) |
BIOS | Award |
Dimensions | 304mm x 200mm |
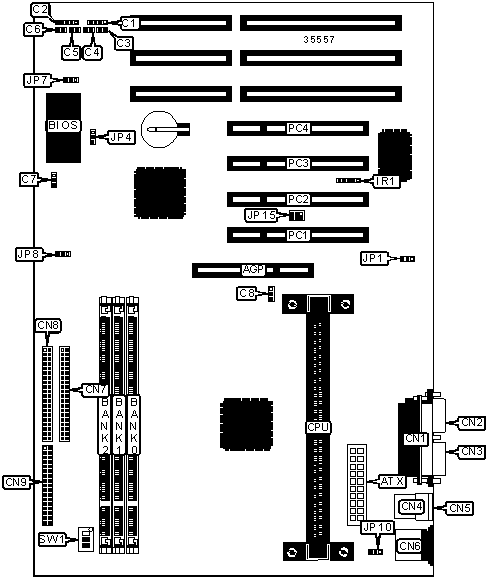
I/O Options | 32-bit PCI slots (4), floppy drive interface, IDE interfaces (2), parallel port, PS/2 mouse port, serial ports (2), IR connector, USB connectors (2), ATX power connector, AGP slot, SB-link connector, wake on LAN connector |

CONNECTIONS | |||
Purpose | Location | Purpose | Location |
AGP slot | AGP | Serial port 1 | CN3 |
ATX power connector | ATX | USB connector 1 | CN4 |
Speaker | C1 | USB connector 2 | CN5 |
Power LED & keylock | C2 | PS/2 mouse port | CN6 |
IDE interface LED | C3 | IDE interface 1 | CN7 |
Standby LED | C4 | IDE interface 2 | CN8 |
Reset switch | C5 | Floppy drive interface | CN9 |
Soft off power supply | C6 | IR connector | IR1 |
Chassis fan power | C7 | Wake on LAN connector | JP1 |
CPU fan power | C8 | Chassis intrusion connector | JP8 |
Parallel port | CN1 | SB-link connector | JP15 |
Serial port 2 | CN2 | 32-bit PCI slots | PC1 – PC3 |
USER CONFIGURABLE SETTINGS | |||
Function | Label | Position | |
» | CMOS memory normal operation | JP4 | Pins 1 & 2 closed |
CMOS memory clear | JP4 | Pins 2 & 3 closed | |
» | Auto power on disabled | JP7 | Pins 2 & 3 closed |
Auto power on enabled | JP7 | Pins 1 & 2 closed | |
Keyboard/mouse voltage select +5v | JP10 | Pins 1 & 2 closed | |
Keyboard/mouse voltage select +5vsb | JP10 | Pins 2 & 3 closed | |
DIMM CONFIGURATION | |||
Size | Bank 0 | Bank 1 | Bank 2 |
8MB | (1) 1M x 64 | None | None |
16MB | (1) 2M x 64 | None | None |
16MB | (1) 1M x 64 | (1) 1M x 64 | None |
24MB | (1) 2M x 64 | (1) 1M x 64 | None |
24MB | (1) 1M x 64 | (1) 1M x 64 | (1) 1M x 64 |
32MB | (1) 4M x 64 | None | None |
32MB | (1) 2M x 64 | (1) 1M x 64 | (1) 1M x 64 |
32MB | (1) 2M x 64 | (1) 2M x 64 | None |
40MB | (1) 4M x 64 | (1) 1M x 64 | None |
40MB | (1) 2M x 64 | (1) 2M x 64 | (1) 1M x 64 |
DIMM CONFIGURATION (CON’T) | |||
Size | Bank 0 | Bank 1 | Bank 2 |
48MB | (1) 4M x 64 | (1) 1M x 64 | (1) 1M x 64 |
48MB | (1) 4M x 64 | (1) 2M x 64 | None |
48MB | (1) 2M x 64 | (1) 2M x 64 | (1) 2M x 64 |
56MB | (1) 4M x 64 | (1) 2M x 64 | (1) 1M x 64 |
64MB | (1) 8M x 64 | None | None |
64MB | (1) 4M x 64 | (1) 2M x 64 | (1) 2M x 64 |
64MB | (1) 4M x 64 | (1) 4M x 64 | None |
72MB | (1) 8M x 64 | (1) 1M x 64 | None |
72MB | (1) 4M x 64 | (1) 4M x 64 | (1) 1M x 64 |
80MB | (1) 8M x 64 | (1) 1M x 64 | (1) 1M x 64 |
80MB | (1) 8M x 64 | (1) 2M x 64 | None |
80MB | (1) 4M x 64 | (1) 4M x 64 | (1) 2M x 64 |
88MB | (1) 8M x 64 | (1) 2M x 64 | (1) 1M x 64 |
96MB | (1) 8M x 64 | (1) 2M x 64 | (1) 2M x 64 |
96MB | (1) 8M x 64 | (1) 4M x 64 | None |
96MB | (1) 4M x 64 | (1) 4M x 64 | (1) 4M x 64 |
104MB | (1) 8M x 64 | (1) 4M x 64 | (1) 1M x 64 |
112MB | (1) 8M x 64 | (1) 4M x 64 | (1) 2M x 64 |
128MB | (1) 16M x 64 | None | None |
128MB | (1) 8M x 64 | (1) 4M x 64 | (1) 4M x 64 |
128MB | (1) 8M x 64 | (1) 8M x 64 | None |
136MB | (1) 16M x 64 | (1) 1M x 64 | None |
136MB | (1) 8M x 64 | (1) 8M x 64 | (1) 1M x 64 |
144MB | (1) 16M x 64 | (1) 1M x 64 | (1) 1M x 64 |
144MB | (1) 16M x 64 | (1) 2M x 64 | None |
144MB | (1) 8M x 64 | (1) 8M x 64 | (1) 2M x 64 |
152MB | (1) 16M x 64 | (1) 2M x 64 | (1) 1M x 64 |
160MB | (1) 16M x 64 | (1) 2M x 64 | (1) 2M x 64 |
160MB | (1) 16M x 64 | (1) 4M x 64 | None |
160MB | (1) 8M x 64 | (1) 8M x 64 | (1) 4M x 64 |
168MB | (1) 16M x 64 | (1) 4M x 64 | (1) 1M x 64 |
176MB | (1) 16M x 64 | (1) 4M x 64 | (1) 2M x 64 |
192MB | (1) 16M x 64 | (1) 4M x 64 | (1) 4M x 64 |
DIMM CONFIGURATION (CON’T) | |||
Size | Bank 0 | Bank 1 | Bank 2 |
192MB | (1) 16M x 64 | (1) 8M x 64 | None |
192MB | (1) 8M x 64 | (1) 8M x 64 | (1) 8M x 64 |
200MB | (1) 16M x 64 | (1) 8M x 64 | (1) 1M x 64 |
208MB | (1) 16M x 64 | (1) 8M x 64 | (1) 2M x 64 |
224MB | (1) 16M x 64 | (1) 8M x 64 | (1) 4M x 64 |
256MB | (1) 16M x 64 | (1) 8M x 64 | (1) 8M x 64 |
384MB | (1) 16M x 64 | (1) 16M x 64 | (1) 16M x 64 |
Note: Board accepts EDO & SDRAM memory. | |||
CACHE CONFIGURATION |
Note: 256KB/512KB cache is located on the Pentium II CPU. |
CPU SPEED SELECTION | |||||
CPU speed | Clock speed | Multiplier | SW1/1 | SW1/2 | SW1/3 |
200MHz | 66MHz | 3x | On | Off | On |
233MHz | 66MHz | 3.5x | Off | Off | On |
266MHz | 66MHz | 4x | On | On | Off |
300MHz | 66MHz | 4.5x | Off | On | Off |
333MHz | 66MHz | 5x | On | Off | Off |