COMPAQ COMPUTER CORPORATION
DESKPRO 486/33L DESKPRO 386/33L
Processor | 80306DX/80486DX |
Processor Speed | 33MHz |
Chip Set | Intel |
Max. Onboard DRAM | 100MB (on system memory card) |
Cache | None |
BIOS | Compaq |
Dimensions | 330mm x 218mm |
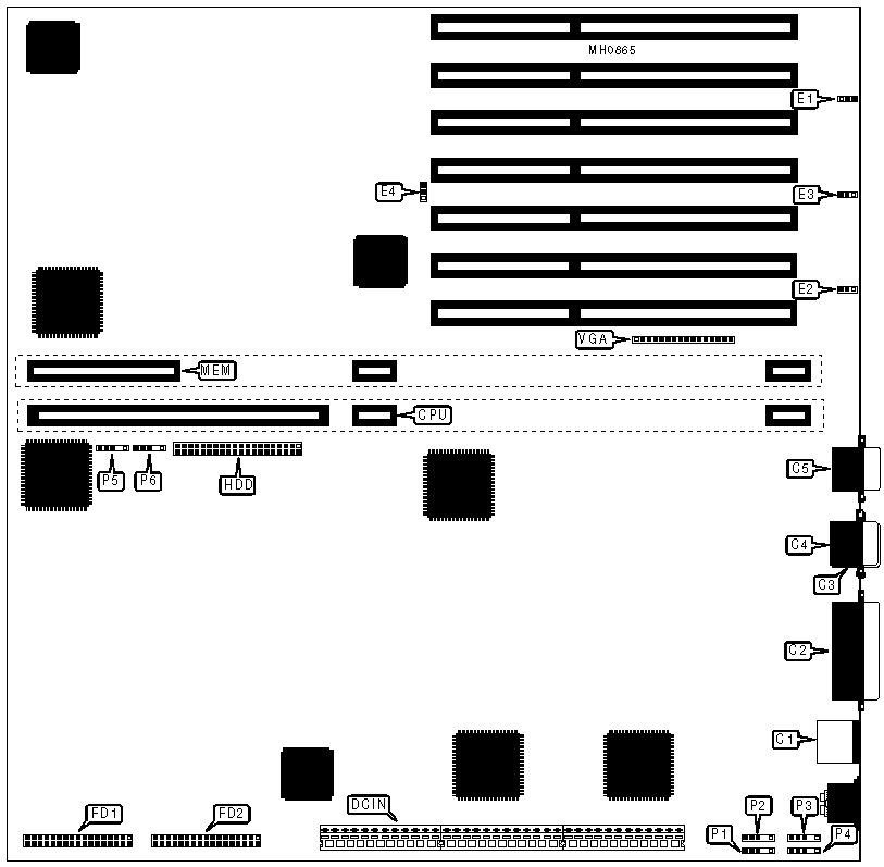
I/O Options | System processor card slot, proprietary system memory card, VGA port, parallel port, serial ports (2), bus mouse port, IDE interface, 3.5 and 5.25 inch floppy drive interface |
NPU Options | None |

CONNECTIONS | |||
Purpose | Location | Purpose | Location |
Bus mouse port | C1 | 3.5 inch floppy drive interface | FD1 |
Parallel port | C2 | Floppy drive interface | FD2 |
Serial port | C3 | IDE interface | HDD |
VGA port | C4 | 32-bit system memory card | MEM |
Proprietary system processor card | CPU | Drive power plugs | P1-P6 |
Main power | DCIN | VGA pass through | VGA |
USER CONFIGURABLE SETTINGS | |||
Function | Jumper | Position | |
» | Configuration enabled | E1 | pins 2 & 3 closed |
| Configuration disabled (erased) | E1 | pins 1 & 2 closed |
» | Password enabled | E2 | pins 2 & 3 closed |
| Passowrd disabled | E2 | pins 1 & 2 closed |
» | Onboard VGA controller enabled | E3 | pins 2 & 3 closed |
| Onboard VGA controller disabled | E3 | pins 1 & 2 closed |
» | Local bus hidden refresh enabled | E4 | pins 2 & 3 closed |
| Local bus hidden refresh disabled | E4 | pins 1 & 2 closed |
Note:Not all jumpers are present on all board revisions. | |||
SYSTEM MEMORY CARD (Model 001370)

CONNECTIONS | |
Purpose | Location |
VGA pass through | V1 |
DRAM CONFIGURATION | ||||
Size | M0 | M1 | M2 | M3 |
2MB | 2MB module | NONE | NONE | NONE |
4MB | 2MB module | 2MB module | NONE | NONE |
6MB | 2MB module | 2MB module | 2MB module | NONE |
8MB | 2MB module | 2MB module | 2MB module | 2MB module |
8MB | 8MB module (2 plug) | ----------------- | NONE | NONE |
8MB | 8MB module | NONE | NONE | NONE |
10MB | 8MB module (2 plug) | ----------------- | 2MB module | NONE |
10MB | 8MB module | 2MB module | NONE | NONE |
12MB | 8MB module (2 plug) | ----------------- | 2MB module | 2MB module |
12MB | 8MB module | 2MB module | 2MB module | NONE |
14MB | 8MB module | 2MB module | 2MB module | 2MB module |
16MB | 8MB module (2 plug) | ----------------- | 8MB module (2 plug) | ----------------- |
16MB | 8MB module | 8MB module | NONE | NONE |
18MB | 8MB module | 8MB module | 2MB module | NONE |
18MB | 8MB module (2 plug) | ----------------- | 8MB module | 2MB module |
20MB | 8MB module | 8MB module | 2MB module | 2MB module |
24MB | 8MB module (2 plug) | ----------------- | 8MB module | 8MB module |
24MB | 8MB module | 8MB module | 8MB module | NONE |
26MB | 8MB module | 8MB module | 8MB module | 2MB module |
32MB | 8MB module | 8MB module | 8MB module | 8MB module |
32MB | 32MB module (2 plug) | ----------------- | NONE | NONE |
34MB | 32MB module (2 plug) | ----------------- | 2MB module | NONE |
36MB | 32MB module (2 plug) | ----------------- | 2MB module | 2MB module |
40MB | 32MB module (2 plug) | ----------------- | 8MB module (2 plug) | ----------------- |
40MB | 32MB module (2 plug) | ----------------- | 8MB module | NONE |
42MB | 32MB module (2 plug) | ----------------- | 8MB module | 2MB module |
48MB | 32MB module (2 plug) | ----------------- | 8MB module | 8MB module |
64MB | 32MB module (2 plug) | ----------------- | 32MB module (2 plug) | ----------------- |
Note: The system memory card uses proprietary memory modules, some require only one module space on the memory board, while others require two. In the cases where a double size module is used, the following space is marked with "-----------------", designating that space as occupied. | ||||

DRAM CONFIGURATION | ||||||
Size | M0 | M1 | M2 | M3 | M4 | M5 |
6MB | 2MB | NONE | NONE | NONE | NONE | NONE |
8MB | 2MB | 2MB | NONE | NONE | NONE | NONE |
10MB | 2MB | 2MB | 2MB | NONE | NONE | NONE |
12MB | 2MB | 2MB | 2MB | 2MB | NONE | NONE |
12MB | 8MB | NONE | NONE | NONE | NONE | NONE |
12MB | 8MB | ----------------- | NONE | NONE | NONE | NONE |
14MB | 2MB | 2MB | 2MB | 2MB | 2MB | NONE |
14MB | 8MB | 2MB | NONE | NONE | NONE | NONE |
14MB | 8MB | ----------------- | 2MB | NONE | NONE | NONE |
16MB | 2MB | 2MB | 2MB | 2MB | 2MB | 2MB |
16MB | 8MB | 2MB | 2MB | NONE | NONE | NONE |
16MB | 8MB | ----------------- | 2MB | 2MB | NONE | NONE |
18MB | 8MB | 2MB | 2MB | 2MB | NONE | NONE |
18MB | 8MB | ----------------- | 2MB | 2MB | 2MB | NONE |
20MB | 8MB | 2MB | 2MB | 2MB | 2MB | NONE |
20MB | 8MB | ----------------- | 2MB | 2MB | 2MB | 2MB |
20MB | 8MB | 8MB | NONE | NONE | NONE | NONE |
20MB | 8MB | ----------------- | 8MB | NONE | NONE | NONE |
20MB | 8MB | ----------------- | 8MB | ----------------- | NONE | NONE |
22MB | 8MB | 2MB | 2MB | 2MB | 2MB | 2MB |
22MB | 8MB | 8MB | 2MB | NONE | NONE | NONE |
22MB | 8MB | ----------------- | 8MB | 2MB | NONE | NONE |
22MB | 8MB | ----------------- | 8MB | ----------------- | 2MB | NONE |
24MB | 8MB | 8MB | 2MB | 2MB | NONE | NONE |
24MB | 8MB | ----------------- | 8MB | 2MB | 2MB | NONE |
24MB | 8MB | ----------------- | 8MB | ----------------- | 2MB | 2MB |
26MB | 8MB | 8MB | 2MB | 2MB | 2MB | NONE |
26MB | 8MB | ----------------- | 8MB | 2MB | 2MB | 2MB |
28MB | 8MB | 8MB | 2MB | 2MB | 2MB | 2MB |
28MB | 8MB | 8MB | 8MB | NONE | NONE | NONE |
28MB | 8MB | ----------------- | 8MB | 8MB | NONE | NONE |
DRAM CONFIGURATION (CON'T) | ||||||
28MB | 8MB | ----------------- | 8MB | ----------------- | 8MB | NONE |
28MB | 8MB | ----------------- | 8MB | ----------------- | 8MB | ----------------- |
30MB | 8MB | 8MB | 8MB | 2MB | NONE | NONE |
30MB | 8MB | ----------------- | 8MB | 8MB | 2MB | NONE |
30MB | 8MB | ----------------- | 8MB | ----------------- | 8MB | 2MB |
32MB | 8MB | 8MB | 8MB | 2MB | 2MB | NONE |
32MB | 8MB | ----------------- | 8MB | 8MB | 2MB | 2MB |
34MB | 8MB | 8MB | 8MB | 2MB | 2MB | 2MB |
36MB | 8MB | 8MB | 8MB | 8MB | NONE | NONE |
36MB | 8MB | ----------------- | 8MB | 8MB | 8MB | NONE |
36MB | 8MB | ----------------- | 8MB | ----------------- | 8MB | 8MB |
36MB | 32MB | ----------------- | NONE | NONE | NONE | NONE |
38MB | 8MB | 8MB | 8MB | 8MB | 2MB | NONE |
38MB | 8MB | ----------------- | 8MB | 8MB | 8MB | 2MB |
38MB | 32MB | ----------------- | 2MB | NONE | NONE | NONE |
40MB | 8MB | 8MB | 8MB | 8MB | 2MB | 2MB |
40MB | 32MB | ----------------- | 2MB | 2MB | NONE | NONE |
44MB | 8MB | 8MB | 8MB | 8MB | 8MB | NONE |
44MB | 8MB | ----------------- | 8MB | 8MB | 8MB | 8MB |
44MB | 32MB | ----------------- | 2MB | 2MB | 2MB | 2MB |
44MB | 32MB | ----------------- | 8MB | NONE | NONE | NONE |
44MB | 32MB | ----------------- | 8MB | ----------------- | NONE | NONE |
46MB | 8MB | 8MB | 8MB | 8MB | 8MB | 2MB |
46MB | 32MB | ----------------- | 8MB | 2MB | NONE | NONE |
46MB | 32MB | ----------------- | 8MB | ----------------- | 2MB | NONE |
DRAM CONFIGURATION (CON'T) | ||||||
52MB | 8MB | 8MB | 8MB | 8MB | 8MB | 8MB |
52MB | 32MB | ----------------- | 8MB | 8MB | NONE | NONE |
52MB | 32MB | ----------------- | 8MB | ----------------- | 8MB | ----------------- |
54MB | 32MB | ----------------- | 8MB | 8MB | 2MB | NONE |
54MB | 32MB | ----------------- | 8MB | 8MB | ----------------- | 2MB |
56MB | 32MB | ----------------- | 8MB | 8MB | 2MB | 2MB |
60MB | 32MB | ----------------- | 8MB | 8MB | 8MB | NONE |
60MB | 32MB | ----------------- | 8MB | ----------------- | 8MB | 8MB |
62MB | 32MB | ----------------- | 8MB | 8MB | 8MB | 2MB |
68MB | 32MB | ----------------- | 8MB | 8MB | 8MB | 8MB |
68MB | 32MB | ----------------- | 32MB | ----------------- | NONE | NONE |
70MB | 32MB | ----------------- | 32MB | ----------------- | 2MB | NONE |
72MB | 32MB | ----------------- | 32MB | ----------------- | 2MB | 2MB |
76MB | 32MB | ----------------- | 32MB | ----------------- | 8MB | NONE |
76MB | 32MB | ----------------- | 32MB | ----------------- | 8MB | ----------------- |
78MB | 32MB | ----------------- | 32MB | ----------------- | 8MB | 2MB |
84MB | 32MB | ----------------- | 32MB | ----------------- | 8MB | 8MB |
100MB | 32MB | ----------------- | 32MB | ----------------- | 32MB | ----------------- |
Note: The system memory card uses proprietary memory modules, some require only one module space on the memory board, while others require two. In the cases where a double size module is used, the following space is marked with "-----------------", designating that space as occupied. | ||||||