ACER, INC.
28.8 internal MODEM (DIP switch)
Card Type | Modem(synchronous/asynchronous), Fax, Voice |
Chip Set | Unidentified |
Maximum Data Rate | 28.8Kbps |
Maximum Fax Rate | 14.4Kbps |
Data Bus | 8-bit ISA |
Fax Class | Class I & II |
Data Modulation Protocol | Bell 103A/212A ITU-T V.22, V.22bis, V.32, V.32bis, V.32terbo, V.34 |
Fax Modulation Protocol | ITU-T V.17, V.21CH2, V.27ter, V.29 |
Error Correction/Compression | MNP2-5, V.42, V.42bis |

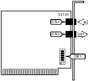
CONNECTIONS | ||||||
Function | Label | Function | Label | |||
Line in | CN1 | Line out | CN2 | |||
COM PORT ADDRESS | ||
Setting | SW1/1 | SW1/2 |
COM1 (3F8h) | On | On |
COM2 (2F8h) | Off | On |
COM3 (3E8h) | On | Off |
COM4 (2E8h) | Off | Off |
INTERRUPT | ||||
Setting | SW1/3 | SW1/4 | SW1/5 | SW1/6 |
IRQ2 | On | Off | Off | Off |
IRQ3 | Off | On | Off | Off |
IRQ4 | Off | Off | On | Off |
IRQ5 | Off | Off | Off | On |
Proprietary AT Command Set
See document V2110 for a full command summary.