DIGI INTERNATIONAL, INC.
MC/4I+, MC/8I+ (RS-422/485 VERSION)
Card Type | Serial |
Processor | 80C186 |
Processor Speed | Unidentified |
Chipset | Unidentified |
Maximum Onboard Memory | 256KB dual-ported RAM |
I/O Options | Serial ports (5 for MC/4i+, 9 for MC/8i+) |
Data Bus | MCA |
Card Size | Full height, full length |

CONNECTIONS | |||
Function | Label | Function | Label |
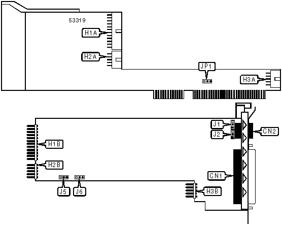
RS-422 or RS-485 asynchronous serial ports via DB-78 connector | CN1 | Header to H2B | H2A |
RS-422 or RS-485 synchronous serial port via RJ-45 connector | CN2 | Header to H2A | H2B |
Header to H1B | H1A | Header to H3B | H3A |
Header to H1A | H1B | Header to H3A | H3B |
Note:Standard serial ports are provided on an included adapter cable. | |||
USER CONFIGURABLE SETTINGS | |||
Setting | Label | Position | |
| » | Shared memory window is 32KB | JP1 | Pins 2 & 3 closed |
Shared memory window is 128KB | JP1 | Pins 1 & 2 closed | |
EPROM SIZE SELECTION | ||
Setting | J5 | J6 |
16KB | Pins 1 & 2 closed | Pins 1 & 2 closed |
32KB | Pins 1 & 2 closed | Pins 1 & 2 closed |
64KB | Pins 1 & 2 closed | Pins 2 & 3 closed |
128KB | Pins 2 & 3 closed | Pins 2 & 3 closed |
SYNCHRONOUS PORT PINS 1 & 2 CONFIGURATION | ||
Pin 1 | Pin 2 | J1 |
CTS positive | CTS negative | Pins 1 & 2 closed |
Receive/transmit clock positive | Receive/transmit clock negative | Pins 2 & 3 closed |
SYNCHRONOUS PORT PINS 9 & 10 CONFIGURATION | ||
Pin 9 | Pin 10 | J2 |
RTS positive | RTS negative | Pins 1 & 2 closed |
Transmit/receive clock positive | Transmit/receive clock negative | Pins 2 & 3 closed |