DATA TECHNOLOGY CORPORATION
DTC5110
Card Type | Floppy drive controller |
Chipset/Controller | DTC403 |
I/O Options | Floppy drive interface |
Maximum DRAM | N/A |

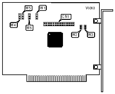
CONNECTIONS | |
Purpose | Location |
Floppy drive interface | CN1 |
I/O ADDRESS CONFIGURATION | |||
Port | Address | W1 | |
| » | Primary | 3F2h - 3F7h | Pins 1 & 2 closed |
Secondary | 372h - 377h | Pins 2 & 3 closed | |
FLOPPY DRIVE DATA RATE | |||
Data Rate (KB/s) | Precompensation | W2 | |
| » | 500 | 125 | Closed |
300 | 208 | Open | |
250 | 250 | Open | |
Note: Leaving W2 open enables data-rate-dependent write precompensation. | |||
FLOPPY DRIVE SPEED SELECT | |
Speed setting | W3 |
Single | Open |
Dual | Closed |
FLOPPY DRIVE POLARITY CONFIGURATION | ||
Mode | W4, W5, and W6 | |
| » | Standard logic | Pins 1 & 2 for high density media, 2 & 3 for low |
Reverse logic (for PS-2-type systems) | Pins 2 & 3 for high density media, 1 & 2 for low | |
Note: These jumpers are not needed for ANSI-type drives. | ||