CHASE RESEARCH, INC.
CHASE IOXTRA
Card Type | Serial card |
Chip Set | Unidentified |
I/O Options | Serial ports (2) |
Card Size | Half-length, full-height |
Data Bus | 8-bit ISA |

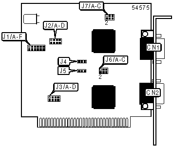
CONNECTIONS | |||
Function | Label | Function | Label |
Serial port A | CN1 | Serial port B | CN2 |
USER CONFIGURABLE SETTINGS | ||
Function | Label | Position |
Serial port A enabled | J4 | Pins 2 & 3 closed |
Serial port A disabled | J4 | Pins 1 & 2 closed |
Serial port B enabled | J5 | Pins 2 & 3 closed |
Serial port B disabled | J5 | Pins 1 & 2 closed |
CLOCK SET | ||||||
Clock | J1/A | J1/B | J1/C | J1/D | J1/E | J1/F |
2C0 | Closed | Open | Open | Open | Open | Open |
2C8 | Open | Closed | Open | Open | Open | Open |
2D0 | Open | Open | Closed | Open | Open | Open |
2D8 | Open | Open | Open | Closed | Open | Open |
3C0 | Open | Open | Open | Open | Closed | Open |
3C8 | Open | Open | Open | Open | Open | Closed |
SERIAL PORT A ADDRESS SELECTION | |
Setting | J7 |
COM1 | Pins 1 & 3, 2 & 4 closed |
COM3 | Pins 1 & 3, 4 & 6 closed |
SERIAL PORT B ADDRESS SELECTION | |
Setting | J6 |
COM2 | Pins 3 & 5, 2 & 4 closed |
COM4 | Pins 3 & 5, 4 & 6 closed |
SERIAL PORT A INTERRUPT SETTINGS | ||||
IRQ | J2/A | J2/B | J2/C | J2/D |
3 | Closed | Open | Open | Open |
4 | Open | Closed | Open | Open |
5 | Open | Open | Closed | Open |
9 | Open | Open | Open | Closed |
SERIAL PORT B INTERRUPT SETTINGS | ||||
IRQ | J3/A | J3/B | J3/C | J3/D |
3 | Closed | Open | Open | Open |
4 | Open | Closed | Open | Open |
5 | Open | Open | Closed | Open |
9 | Open | Open | Open | Closed |