BOCA RESEARCH INC.
IO/AT
Card Type | Multi I/O card |
Chipset/Controller | Unknown |
I/O Options | Clock, parallel port, serial ports (2) |
Maximum DRAM | N/A |

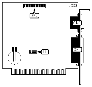
CONNECTIONS | |||
Purpose | Location | Purpose | Location |
Parallel port | CN1 | Serial port 2 | CN3 |
Serial port 1 | CN2 | ||
I/O AT CONFIGURATION | ||
Cards Installed | J1 | |
| » | 1 | Pins 1 & 2 closed |
2 | Pins 3 & 4 closed | |
3 | Pins 5 & 6 closed | |
4 | Pins 7 & 8 closed | |