AST RESEARCH, INC.
SIXPACK PREMIUM
Card Type | Memory/Multi I/O |
Chipset/Controller | Western Digital |
I/O Options | Game port, parallel port, serial ports (2) |
Maximum DRAM | 1024KB |

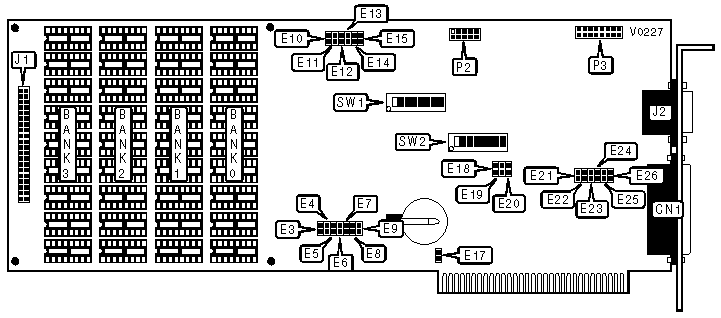
CONNECTIONS | |||
Purpose | Location | Purpose | Location |
Parallel port | CN1 | Serial port 2 | P2 |
Premium Pak connector | J1 | Game port | P3 |
Serial port 1 | J2 |
|
|
FACTORY CONFIGURED SETTINGS | |
Switch | Setting |
SW1/switch 5 | N/A |
SW1/switch 6 | N/A |
SW2/switch 5 | N/A |
SW2/switch 6 | N/A |
SERIAL PORT CONFIGURATION | |||||
Port 1 (J2) | Port 2 (P2) | E3 | E4 | E5 | |
| » | COM1 | COM2 | Closed | Open | Closed |
COM2 | Disabled | Open | Closed | Open | |
Disabled | COM2 | Open | Open | Closed | |
Disabled | Disabled | Open | Open | Open | |
SERIAL PORT INTERRUPT SELECTION | |||||
Port 1 (J2) | Port 2 (P2) | E18 | E19 | E20 | |
| » | IRQ4 | IRQ3 | Closed | Open | Closed |
IRQ3 | N/A | Open | Closed | Open | |
SERIAL PORT NORMAL/FORCED TRUE CONFIGURATION | |||||||
Port 1 | E21 | E22 | E23 | E24 | E25 | E26 | |
| » | Normal | Open | Closed | Open | Closed | Open | Closed |
Forced True | Closed | Open | Closed | Open | Closed | Open | |
SERIAL PORT NORMAL/FORCED TRUE CONFIGURATION | |||||||
Port 2 | E10 | E11 | E12 | E13 | E14 | E15 | |
| » | Normal | Open | Closed | Open | Closed | Open | Closed |
Forced True | Closed | Open | Closed | Open | Closed | Open | |
PARALLEL PORT SETTINGS | |||
LPT | E6 | E7 | |
| » | 1 | Closed | Open |
2 | Open | Closed | |
Disabled | Open | Open | |
PARALLEL PORT INTERRUPTS | ||
IRQ7 | E17 | |
| » | Enabled | Closed |
Disabled | Open | |
GAME PORT CONFIGURATION | ||
Game Port | E8 | |
| » | Enabled | Closed |
Disabled | Open | |
CLOCK/CALENDAR CONFIGURATION | ||
Clock/Calendar | E9 | |
| » | Enabled | On |
Disabled | Off | |
DUAL PAGE MODE SELECTION | ||
Dual Page Mode | SW1/switch 7 | |
| » | Enabled | On |
Disabled | Off | |
BASE I/O ADDRESS SETTINGS | |||||
Address | SW2/1 | SW2/2 | SW2/3 | SW2/4 | |
| » | 0218h | On | On | On | Off |
0208h | On | On | On | On | |
0258h | On | Off | On | Off | |
0268h | On | Off | Off | On | |
02A8h | Off | On | Off | On | |
02B8h | Off | On | Off | Off | |
02E8h | Off | Off | Off | On | |
STARTING MEMORY ADDRESS SETTING | |||||
Starting Memory (Mainboard) | SW1/1 | SW1/2 | SW1/3 | SW1/4 | |
| » | 640KB | Off | On | Off | On |
576KB | On | Off | Off | On | |
512KB | Off | Off | Off | On | |
448KB | On | On | On | Off | |
384KB | Off | On | On | Off | |
320KB | On | Off | On | Off | |
256KB | Off | Off | On | Off | |
192KB | On | On | Off | Off | |
128KB | Off | On | Off | Off | |
64KB | On | Off | Off | Off | |
0KB | Off | Off | Off | Off | |
Note:Setting the starting address to 256KB allocates all SixPak Premium memory as expanded memory. | |||||
SIXPAK PREMIUM MEMORY SIZE SELECTION | |||
Size | SW2/switch 7 | SW2/switch 8 | |
| » | Up to 512KB | On | Off |
Up to 640KB | Off | Off | |
Up to 256KB | Off | On | |
0KB | On | On | |
DRAM CONFIGURATION | ||||
Size | Bank 0 | Bank 1 | Bank 2 | Bank 3 |
256KB | (9) 41256 | None | None | None |
512KB | (9) 41256 | (9) 41256 | None | None |
768KB | (9) 41256 | (9) 41256 | (9) 41256 | None |
1MB | (9) 41256 | (9) 41256 | (9) 41256 | (9) 41256 |
PARITY CONFIGURATION | ||
Parity | SW1/switch 8 | |
| » | Enabled | On |
Disabled | Off | |

CONNECTIONS | |
Purpose | Location |
Premium Pak connector | J1 |
PREMIUM PAK MEMORY CONFIGURATION | ||||
Size | Bank 4 | Bank 5 | Bank 6 | Bank 7 |
1.25MB | (9) 41256 | None | None | None |
1.5MB | (9) 41256 | (9) 41256 | None | None |
1.75MB | (9) 41256 | (9) 41256 | (9) 41256 | None |
2MB | (9) 41256 | (9) 41256 | (9) 41256 | (9) 41256 |