ACQUTEK CORPORATION
PM-8002
Card Type | Virtual memory card |
Chip Set | None |
Maximum Onboard Memory | 1MB EPROM |
I/O Options | Watch dog timer connector |
Data Bus | 8-bit ISA |

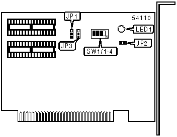
CONNECTIONS | |
Function | Label |
Watch-dog timer reset connector | JP2 |
Note: Watch-dog timer reset connector can be connected to mother board or CPU card’s reset connector. | |
USER CONFIGURABLE SETTINGS | |||
Function | Label | Position | |
| » | Factory configured - do not alter | JP1 | Unidentified |
| » | Factory configured - do not alter | JP3 | Pins 1 & 2 closed |
DIAGNOSTIC LED | |
Function | Label |
Watch dog timer status indicator | L1 |
Note: When watch-dog timer is enabled, LED will start to blink. The user must refresh the watch-dog time every 6 to 42 seconds or the LED will stop blinking and the watch-dog timer will reset the system. | |
BIOS ADDRESS SELECTION | ||
Address | SW1/3 | SW1/4 |
CC000h | Off | Off |
D0000h | On | Off |
D4000h | Off | On |
D8000h | On | On |
BASE I/O ADDRESS SELECTION | ||
Setting | SW1/1 | SW1/2 |
218h | Off | Off |
298h | On | Off |
318h | Off | On |
398h | On | On |
MISCELLANEOUS TECHNICAL NOTES |
The following 2 chip memory kits are available: MK-2E10 (256KB), MK-2E20 (512 KB), MK-2E40 (1MB) |