SCIENTIFIC MICRO SYSTEMS, INC.
OMTI 3120A, OMTI 3127A
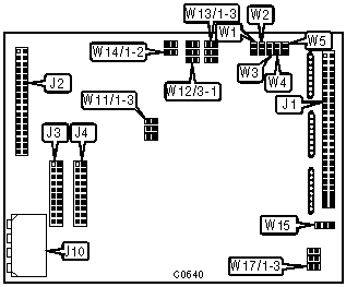
Data bus: | 50-pin SCSI interface |
Size: | 4" x 5.75" |
Hard drive supported: | Up to two ST506/412 MFM drives in 3120A, and up to two ST506/412 RLL 2,7 drives in 3127A |
Floppy drives supported: | None |

CONNECTIONS | |
Function | Location |
50-pin SCSI interface | J1 |
34-pin MFM disk control connector | J2 |
20-pin data cable connector | J3 |
20-pin data cable connector | J4 |
DC power connector | J10 |
SCSI ADDRESS | ||||
SCSI ID | W1 | W2 | W3 | |
| » | 0 | open | open | open |
| » | 1 | closed | open | open |
| » | 2 | open | closed | open |
| » | 3 | closed | closed | open |
| » | 4 | open | open | closed |
| » | 5 | closed | open | closed |
| » | 6 | open | closed | closed |
| » | 7 | closed | closed | closed |
USER CONFIGURABLE SETTINGS | |||
Function | Location | Setting | |
| » | SCSI parity enabled | W4 | closed |
| » | SCSI parity disabled | W4 | open |
| » | Factory configured - do not alter | W12/1-3 | N/A |
| » | Factory configured - do not alter | W13/1-3 | N/A |
| » | Factory configured - do not alter | W14/1-2 | N/A |
| » | TRMPWR supplied by board (3127A) | W15/pins 1 & 2 | closed |
| » | TRMPWR supplied by SCSI bus (3127A) | W15/pins 2 & 3 | closed |
| » | Factory configured - do not alter | W17/1-3 | N/A |
Note: Location of W15 pin 1 is unidentified. | |||
SECTOR CONFIGURATION | ||||
Bytes/Sector | Sector/Track | W5 | W6 | |
| » | 512 | 17 | open | closed |
| » | 256 | 32 | closed | open |
512 (3120A) | 18 | open | open | |
532 (3127A) | 17 | open | open | |
| » | 1024 | 9 | closed | closed |
Note: Location of W6 is unidentified. | ||||
TERMINATION POWER - 3120A | ||||
Function | W11/1 | W11/2 | W11/3 | |
| » | TRMPWR supplied by board | open | closed | closed |
| » | TRMPWR supplied by SCSI bus | closed | closed | open |