UNIDENTIFIED
MCGP-1
Category | Video |
Video Types Supported | CGA |
Video Processor | Unidentified |
Highest Resolution Supported | 640 x 200 |
Data Bus Type | 8-bit ISA |
Memory Type | DRAM |
Maximum Onboard Memory | Unidentified |

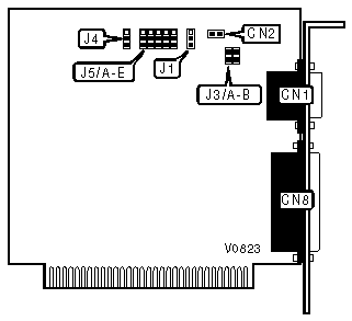
CONNECTIONS | |||
Purpose | Location | Purpose | Location |
9-pin digital video port | CN1 | Parallel port | CN8 |
Composite video connector - internal | CN2 |
|
|
COMPOSITE DISPLAY MODES | |||||||
Setting | J1 | J5/jumper A | J5/jumper B | J5/jumper C | J5/jumper D | J5/jumper E | |
» | Color | 1 & 2 closed | 1 & 2 closed | 1 & 2 closed | 2 & 3 closed | 2 & 3 closed | 1 & 2 closed |
» | Mono | 2 & 3 closed | 1 & 2 closed | 1 & 2 closed | 2 & 3 closed | 1 & 2 closed | 2 & 3 closed |
CLOCK FREQUENCY - J3 | |||
Setting | Jumper A | Jumper B | |
» | For composite/RGB monitor | Closed | Open |
» | For TTL monochrome monitor | Open | Closed |
RGB/TTL DISPLAY MODES - J5 | ||||||
Setting | Jumper A | Jumper B | Jumper C | Jumper D | Jumper E | |
» | RGB color | 1 & 2 closed | 1 & 2 closed | 1 & 2 closed | 2 & 3 closed | 1 & 2 closed |
TTL monochrome | 2 & 3 closed | 1 & 2 closed | 1 & 2 closed | 1 & 2 closed | 1 & 2 closed | |
PARALLEL PORT | ||
Setting | J4 | |
» | Enabled | Pins 1 & 2 closed |
Disabled | Pins 2 & 3 closed | |