UNIDENTIFIED
VGA-PC/D
Category | Video |
Video Type | CGA/EGA/Monochrome/VGA |
Video Processor | Unknown |
Highest Resolution Supported | 800 x 600 |
Data Bus Type | 8-bit ISA |
Memory Type | DRAM |
Maximum Onboard Memory | 256KB (Location unknown) |

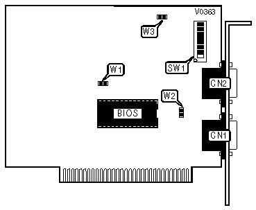
CONNECTIONS | |||
Purpose | Location | Purpose | Location |
9-pin analog video port | CN1 | 9-pin TTL analog video port | CN2 |
I/O ADDRESS SELECT | ||
Address Range | W1 | |
| » | 3xxh | Open |
2xxh | Closed | |
MONITOR TYPE SELECT | |||||
Type | SW1/1 | SW1/2 | SW1/3 | SW1/4 | |
| » | Analog Multifrequency | Off | On | On | Off |
Monochrome | On | On | On | On | |
CGA | Off | On | On | On | |
EGA | On | Off | On | On | |
TTL Multifrequency | Off | Off | On | On | |
PS/2 Color/Mono | On | On | On | Off | |
PRIMARY/SECONDARY DISPLAY CONFIGURATION | ||
Setting | SW1/5 | |
| » | VGA-PC/D primary display | On |
VGA-PC/D secondary display | Off | |
DISPLAY CONFIGURATION | ||||
Setting | SW1/6 | SW1/7 | SW1/8 | |
| » | Automatic | On | On | On |
Monochrome | On | Off | On | |
CGA | Off | On | On | |
EGA | Off | Off | On | |
VGA | On | On | Off | |
VGA protected | Off | On | Off | |
SLOT TYPE CONFIGURATION | ||
Slot | W2 | |
| » | Other | Open |
Slot 8 on a PC compatible | Closed | |
FACTORY CONFIGURED SETTINGS | |
Jumper | Setting |
W3 | N/A |