DISPLAY RESEARCH LABORATORY
PC TELEVISOR BOX/CARD
Card Type | Video card |
Video Chip Set | Unidentified |
Highest Resolution Supported | 640 x 480 |
Maximum Video Memory | Unidentified |
Data Bus | 8-bit ISA |
Video Types Supported | VGA |
Capture Format Supported | NTSC, PAL |

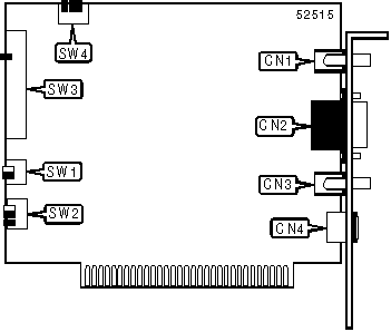
CONNECTIONS | |||
Function | Label | Function | Label |
Composite output | CN1 | RGB SCART output | CN3 |
15-pin analog video connector | CN2 | S-Video output | CN4 |
USER CONFIGURABLE SETTINGS | ||
Function | Label | Position |
Horizontal width selection | SW1 | Unidentified |
Video mode selection | SW2 | Unidentified |
Horizontal position slider | SW3 | Unidentified |
Vertical position slider | SW4 | Unidentified |